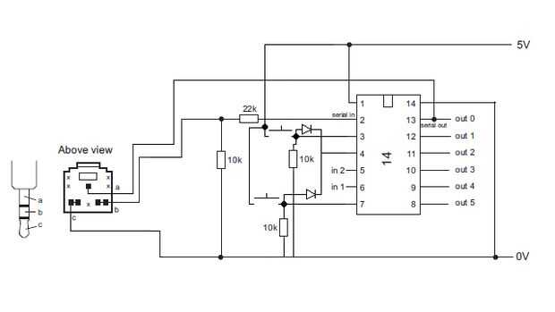
Paso 2: Configurar entradas

Conecte un lado del interruptor a positivo.
Conecte el otro extremo del interruptor a un resistor de 10K, luego a negativo.
Conecte la junta entre el interruptor y la resistencia a un pin de entrada.
Conecte la junta entre el interruptor y la resistencia a un diodo, luego a una clavija de entrada de repuesto.
Repetir este proceso para ambos interruptores, pero Conecte los extremos de los diodos a la entrada del mismo.