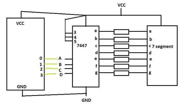
Paso 3: Dan Menghubungkan 7447 dengan 7 segmento Arduino

7 segmento adalah LED seperti pada umumnya, yaitu bekerja pada tegangan 3 voltios, sedangkan Chip de BCD a 7 segmentos 7447 yg akan kita hubungkan, mempunyai nivel tegangan logika 5 voltios, jadi arus dari Chip ke 7 segmento harus dibatasi dengan resistor, pada umumnya 330 ohmios, aman de dengan de tapi 220 Ohmios pun masih bekerja.
Sedangkan untuk menghubungkan Chip 7447 ke Arduino, bisa langsung disambung, karena punya tegangan nivel logika yg sama TTL.
Kode untuk prueba Rangkaian terlampir.