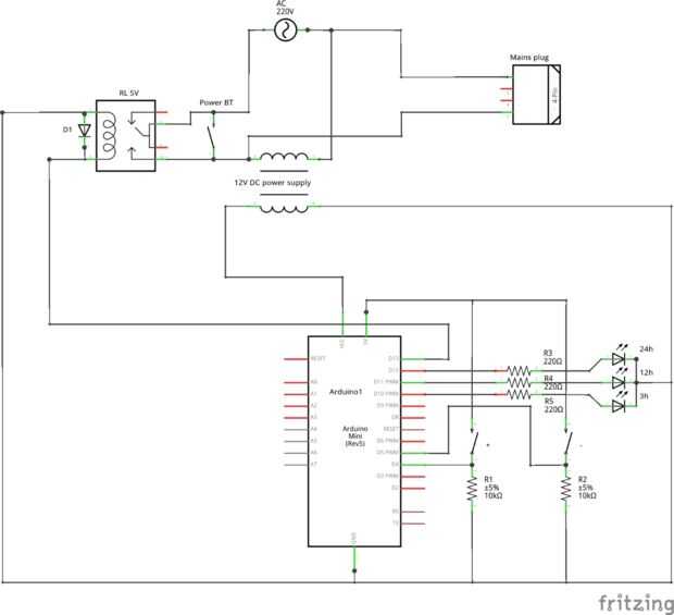
Paso 2: cableado


Siga el esquema adjuntado. Use D4, D5, D6, D7, D8 y D9 de Linkit para los LEDs, el +- y botones de encendido y el relé principal.
El botón Plus = 4
Botón menos = 5
LED1 = 9
LED2 = 8
LED3 = 7
Relay = 6
Tenga en cuenta un extraño cableado en el botón de encendido. Una vez pulsado directamente activa el relé que enciende entonces el Linkit. Una vez que enciende el Linkit sí mismo activa el relé para estar y mantener la alimentación de Linkit. Si suelta el botón encendido demasiado rápido, Linkit no tendrán la oportunidad de sobrevivir. Presione durante 2 segundos y luego suelte.