Paso 7: Opcional: Añadir un sensor de proximidad infrarrojo


Antes de que me di cuenta de cómo hacer que la salida de mi sensor PIR manejar una carga, había renunciado a él y conectado a un sensor de proximidad de infrarrojos en su lugar. A incluir esas instrucciones aquí, también, porque es una gran manera de desencadenar los ojos de 4-5 pulgadas, por ejemplo cuando alguien llega a un tazón de dulces.
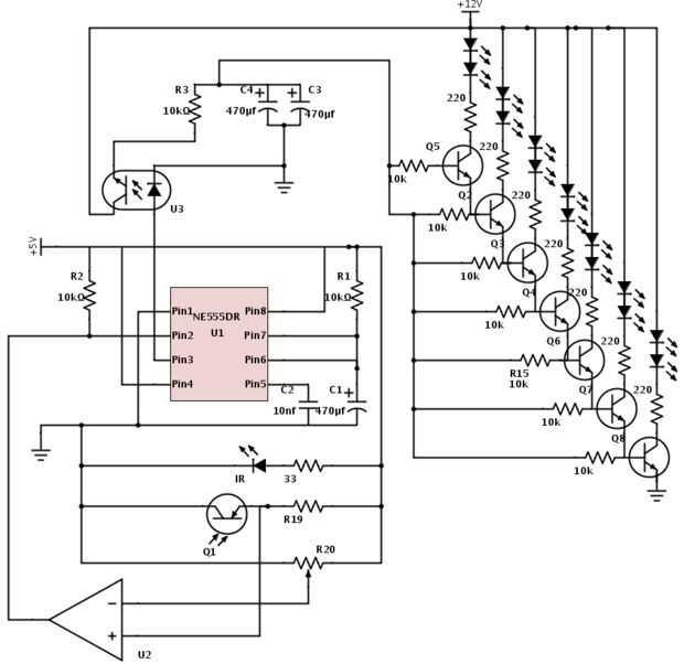
Estas instrucciones vienen directamente de este Instructable excelente. Lea hay explicaciones.
- Conectar 3 resistencias de 100Ω en paralelo con el carril de tierra. El Instructable original recomienda una resistencia de 33Ω solo, pero la potencia supera los 1/4 W para que su resistencia de película de carbón estándar está diseñado. Como resultado, la resistencia de 33Ω se pone muy caliente. Utilizando 3 100Ω resistencias en paralelo proporciona la misma resistencia, pero divide el poder. Como una palabra de advertencia, las resistencias todavía conseguir algo calientes.
- Conectar la pata negativa del sensor IR para las 3 resistencias de 100Ω. Conecte el positivo de la pierna en el riel de 5V.
- Conecte el fototransistor IR en la misma forma, pero sustituir una resistencia 10kΩ para las 3 resistencias de 100Ω. Conecte el punto central del fototransistor y la resistencia de 10kΩ a la entrada NONINVERTING (+) del amplificador operacional 741.
- Conectar el potenciómetro de 10kΩ a través de 5V y tierra de lluvias y conecte la patilla central del potenciómetro a la entrada de la inversión (-) del amplificador operacional 741. Esto es lo contrario del diagrama en el paso 5 de la original Instructable. Es intencional, ya que el temporizador 555 necesita un disparo bajo.
- Conectar los pines de voltaje positivo y negativo de la 741 a la perspectiva de rails de 5V y tierra.
- Conectar la clavija de salida de la 741 al pin 2 del 555 temporizador.
Eso es todo! Debe estar bien en su manera de asustar a la bejeebus de cualquier número de niños.