Movimiento sensibles ojos brillantes que iluminan al azar y guiñan hacia fuera lentamente (2 / 7 paso)

Paso 2: Montar el circuito de activación de ojo

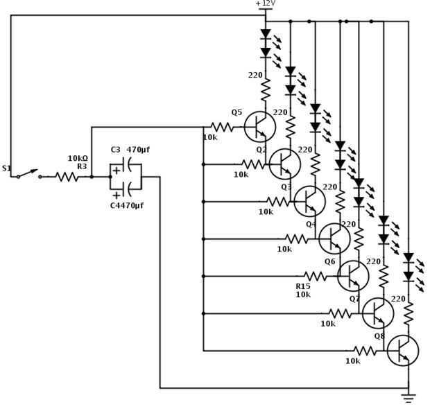
Este circuito se basa en el circuito de señal de la vuelta de la motocicleta encontrada aquí. Los dos condensadores de 470uf en paralelo proporcionan 940uf que carga lentamente. Como el condensador, la tensión de base para la subida de 8 transistores. Sin embargo, también lo hace la tensión de emisor del transistor debajo de él. Por lo tanto, cada transistor activa como las cargas del condensador otro 0.7V. En realidad, es un poco más, ya que cada transistor actúa como un resistor, dividiendo el voltaje en los LEDs conectados a los colectores. Cuento largo, necesita más que 8x0.7V = 5.6V para activar los 8 transistores. Está más cerca de 12V total. La matemática no es complicada, pero me estoy saltando. Los ojos se encienden en la sucesión, con el menor conjunto de ojos de la escalera"transistor" activar primero. La velocidad a la que esto sucede es determinada por la constante de tiempo RC del contador de tiempo. Aquí, esa constante es RC = 10 k * 940u = 9,4 segundos. Sin embargo, sólo se tarda aproximadamente un segundo para todos 8 transistores para activar. Jugar con estos valores para obtener un timing diferente. Aumento de R o C para alargarlo. Los ojos se guiñan hacia fuera muy lentamente. Los últimos ojos a activar será el primero en salir como los condensadores de descarga. Tenga en cuenta que técnicamente no he dejado ninguna ruta de descarga en este circuito. Lo hice intencionalmente ya permite a los ojos a guiño a cabo muy lentamente. De hecho, el conjunto superior de los ojos permanecerá encendido durante minutos.
  1. Colocar un transistor en la placa para que el colector y la base están en las filas adyacentes, pero el emisor omite una fila.
  2. Coloque el segundo transistor de la misma manera, la base ocupa la misma fila que el emisor del primer transistor.
  3. Repita para todos 8.
  4. Conecte el emisor del transistor pasado a tierra.
  5. Conecte 1 resistencia de 10kΩ a la base de cada transistor y la pierna libre de cada resistor juntos.
  6. Conecte los dos condensadores de 470uf en paralelo al suelo y a la Unión de las 8 resistencias de base 10kΩ.
  7. Conecte la resistencia restante de 10kΩ, que forma parte del temporizador RC, a su voltaje de disparador positivo (véase abajo)

Técnicamente, esto es todo lo que realmente necesitas hacer. Se puede producir con cualquier cosa que provee 12V al temporizador RC tiempo suficiente a la luz todos los LEDs, incluso un interruptor o un pulsador.

Artículos Relacionados

Halloween Calavera con ojos animados que habla

Halloween Calavera con ojos animados que habla

Para Halloween hice una calavera parlante circule con un movimiento de la mandíbula y los ojos animados que reacciona a los golpes de la puerta. Surgió de mi interés en el microcontrolador de Arduino.Básicamente consiguió una placa Arduino y escribí
Wobbly Woggly: Brillar intensamente los ojos Goggly que duran para siempre

Wobbly Woggly: Brillar intensamente los ojos Goggly que duran para siempre

Un video rápido que describe la construcción: https://www.youtube.com/watch?v=LM9x9-xxc1U¿Cuánto es 5 segundos para un niño de cuatro años..? para siempre. Finalmente, aprende un poco de paciencia.Paso 1: Piezas y herramientas Woggly tambaleante ojo
Frambuesa Pi movimiento sensible cámara

Frambuesa Pi movimiento sensible cámara

Usando un Raspberry Pi, un módulo de cámara de Raspberry Pi, un adaptador USB WiFi, un sensor de movimiento PIR, un puñado de piezas y un par de programas en Python, puede construir una cámara que será automáticamente tomar fotos o grabar vídeos cort
Movimiento sensible LCD en tiempo real reloj/alarma/temporizador (programa actualizado)

Movimiento sensible LCD en tiempo real reloj/alarma/temporizador (programa actualizado)

necesitaba un reloj para mi oficina en casa (donde me paso las mañanas del fin de semana construyendo robots y tal) y quería que encajen en la decoración de mi banco de trabajo electrónica. Me decidí a construir uno con todas las "entrañas" expu
Ojos brillantes de la criatura para su jardín.

Ojos brillantes de la criatura para su jardín.

Después de leer varios otros instructables que ojos brillantes de la criatura para su jardín combina varios métodos para llegar a estos.  Quería algo barata, algo de tiempo a prueba, capaz de ser utilizado en el futuro Halloweens, rápida y fácil para
Halloween negro gato con ojos brillantes

Halloween negro gato con ojos brillantes

Tenemos una bruja de madera construida hace unos años y decidió añadir un gato negro con ojos brillantes.(Bucle es imperfecto en Vimeo, lo siento!)Paso 1: El cuerpo El gato era corte de espuma de 1", cubierto con una sábana de algodón y pintado con p
Ojo brillante cráneo robótico

Ojo brillante cráneo robótico

¿Se acerca Halloween? ¿Ha pasado ya? No importa! Cualquier momento es el momento perfecto para su propio cráneo humano robótico. Cuando termine este Instructable, tendrás un cráneo con la articulación del cuello y la mandíbula y brillar intensamente
Más brillante que el oso promedio

Más brillante que el oso promedio

¿Es más brillante que el oso promedio? Este pequeñajo es seguro! Ideal para científicos locos, pequeñas escenas de Halloween o personas con un retorcido sentido del humor.(Inspirado por esta lámpara: http://www.suck.uk.com/product.php?rangeID=104&sho
Va a meter su ojo hacia fuera de trata

Va a meter su ojo hacia fuera de trata

bien me quería hacer un juego de "a disparar su ojo hacia fuera" y vino para arriba con esto.  Pensé que sería un tratamiento interesante que buen gusto. Pretzels y chocolate... Oh yum yum!Lo bueno de estos es que si usted no quiere hacer los gr
Cómo salir hacia fuera y cerrar un programa que no responde en Windows 7, 8 o 10!

Cómo salir hacia fuera y cerrar un programa que no responde en Windows 7, 8 o 10!

Como dice el título - en este instructable voy a decirte cómo detener una aplicación cuando se congela o no responde... Si has encontrado útiles, asegúrese de suscribirse a mi canal de YouTube para más consejos técnicos, tutoriales y entretenimiento:
Crear tu propia página web que funciona hacia fuera de la circunferencia y el área de un círculo utilizando pi!

Crear tu propia página web que funciona hacia fuera de la circunferencia y el área de un círculo utilizando pi!

Para celebrar el día Pi que vamos a crear una página web que utiliza pi para calcular el área de un círculo y circunferencia.Paso 1: Crear un documento htmlVamos a utilizar html y lenguajes de código JavaScript. Puede escribir este código en su aplic
Consejos de sombra de ojos brillante para las mujeres de Color

Consejos de sombra de ojos brillante para las mujeres de Color

http://www.styleunited.com/TipsAndTrends/article/Bright-Eye-Shadow-Tips-for-Women-of-Color algunas mujeres con piel más oscura pueden rehuir brillante sombra de ojos. Pero colores brillantes realmente pueden realmente pop en piel más oscura. Sólo nec
Movimiento sensibles LED Throwies

Movimiento sensibles LED Throwies

diseñado para ser colocado/arrojadas sobre blancos móviles, estos throwies utilizan un sensor de movimiento crudo.Paso 1: Juntar las pilas En vez de usar las baterías cr2032, usar 2 pilas de botón. 1Ponga las pilas (- a +) Enrolle las dos pilas peque
Movimiento activa reproductor de música al azar

Movimiento activa reproductor de música al azar

este proyecto llegó a ser por todas las razones correctas, sonrisas, risas y compartir felicidad con los demás. Me siento bendecida con una familia increíble y el grupo de personas que cada día generosamente compartirán, hacen e inspiran a otros en e