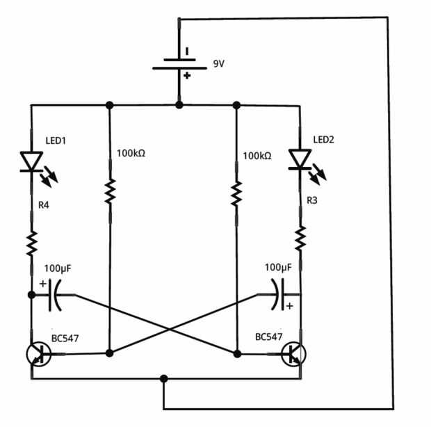
Paso 2: Montar el circuito


Desea utilizar un circuito transparente fino. Tomé una hoja de plástico transparente cortada de una caja de supermercado. Usted puede tomar cualquier cosa que gusto pero puede que desee para asegurarse de que es transparente para dejar que el corazón entero brilla en el frente y en la parte posterior. Después de cortar a la forma del corazón del objeto contenedor de la diversión parte comienza. Hacer los orificios necesarios para los componentes en la placa de circuito y arme el circuito como se muestra en los esquemas de circuito o fritzing.