Paso 1: diseño


1. bueno, esto es naturalmente decidí usar un Arduino.
2. sería la batería ya que irá en mi cuarto de baño.
3. quería que el día de la semana y si no es día de la ducha.
4. yo también quería ser capaz de cambiar el día de la ducha o desactivar si quería cambiarlo.
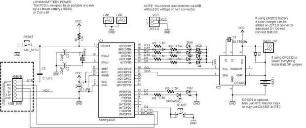
El Arduino 'estándar', como la ONU no está muy bien diseñada para funcionamiento con batería, así que decidí construir mi propio Arduino en un PCB.
Me decidí por la batería de 18650 de litio ya que es mi batería favorito actual de elección. (ver imagen) Este voltaje de la batería variará de unos 4.2Vdc cargada hasta unos 2.0Vdc.
Technobabble: Uno de los cerebros de Arduino es el AtMega328P. Otro favorito actual para mí. ¿Ahora este microprocesador teóricamente puede funcionar con una tensión de 4.2Vdc hasta unos 1.8Vdc pero creo que en el entorno de Arduino estándar se limita a 2.9Vdc? De todos modos, es lo suficientemente bueno para mí. Sin embargo, en tensiones más bajas, el reloj debe ser reducido a 8MHz.
Archivos de Eagle son colocados, esquemático y PCB. Este esquema es que mi prototipo de diseño incluye piezas que pensé podría ser necesario. Yo no cosas el DS1307, sostenedor de cristal y batería de 32,768 KHz.
Hice y rellena el PCB.
He instalado diferentes LEDs de color para el día de la semana por lo que es un poco más fácil de distinguir un día de otro. (Mi vista no es el más grande)
Lista de partes:
1 batería 18650
1 soporte de la batería 18650
1 ducha PCB del Monitor (se puede hacer con los archivos de Eagle Cadsoft)
1 microprocesador ATmega328P
1 zócalo del IC perno 28
6 pines macho encabezado
1 interruptor SPST táctil
1 interruptor DPST táctil
1 condensador 0.1uFd
2 condensador 22pFd
1 cilíndrica cristal 8MHz
8 LED 3MM (colores surtidos)
1 resistencia 10K
8 resistencia 1,5 K
1 conector JST2.0 set (hombre/mujer)
Alambre de chatarra
Plástico de desecho