instrucciones paso a paso para Arduino basan LED dados. Tuve arduino Duemilanove (la versión anterior).Aquí hice shield arduino LED dados.¿Qué es un escudo?Protectores son tablas que pueden ser conectados en la parte superior la placa de Arduino exte             
 
              
            
				   
			 
              
             
               ¡ Hola! amigosBienvenidos a mi otro proyecto "Dice Led" . En este proyecto voy a mostrarte cómo hacer tus propio led dados.Solo descargar el código y una de forma de diagrama de circuito http://www.talkingelectronics.com/EM/Dice/Dice.htmlPor lo             
 
              
            
				   
			 
              
             
               este instructable le mostrará cómo crear un dado con Arduino y unos pocos componentes. Es un proyecto fácil y divertido, apto para principiantes y para los que quieren empezar con Arduino; también requiere una cantidad mínima de componentes.Este desc             
 
              
            
				   
			 
              
             
               Cómo construir un Mini LED linternaPara construir una mini linterna de LED necesita:-un trozo pequeño de cuerda-2 palitos-claro bola (dividida en dos)-Luz LED (cualquier color)-resistencia-2 alambres (con los extremos pelados de ambos lados)-interrup             
 
              
            
				   
			 
              
             
               ¡ Hola! Hoy en día. voy a mostrarte cómo hacer un mini LED POV que hacen tiras de luces en el aire!Hacer esto costará alrededor de 5$. Es ideal para los niños, pero necesitan la ayuda de un adulto para hacerlo.Vamos a empezar!Paso 1: Las herramientas             
 
              
            
				   
			 
              
             
               alguna vez encuentras en la oscuridad? ¿Una linterna tamaño regular demasiado engorrosa? entonces usted necesita una linterna Mini LED! Usted puede conseguir estas luces en muchas tiendas diferentes, pero ¿qué es la diversión en eso?¡ Hagamos nuestro             
 
              
            
				   
			 
              
             
               Hoy voy a mostrarles mi nuevo proyecto - dados del LED usando un ATtiny85.Cuando usted presiona el botón, se genera un número al azar y muestra como un dado.Paso 1: materiales Partes:ATtiny85 (también puede utilizar ATtiny45 y ATtiny25)Toma DIP87 LED             
 
              
            
				   
			 
              
             
               este es mi primer go en esto así que espero que pase inspección...?Diseñado y hecho la primera de estas antorchas a finales de 2006 (chocado yo con esa fecha!)  y han sido escritos por algún tiempo en varios foros de ingeniería y en youtube desde Dic             
 
              
            
				   
			 
              
             
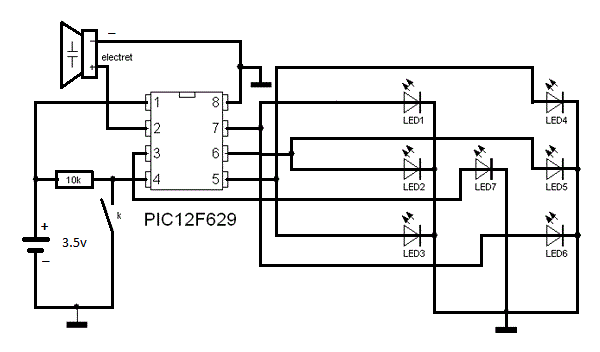
               Siempre he querido construir un dado electrónico led, pero algo diferente de lo que vemos en internet. Lo que es movimiento controlado... ahora que es nuevo! Hacer dados led controladas remotos por favor comparta con cada uno y como mis proyectosPaso             
 
              
            
				   
			 
              
             
               Actualización de diciembre de 2014: un kit que contiene todas las piezas del circuito para este proyecto ya está disponible en Jameco Electronics. Ver el paso de materiales para más detalles.La inspiración para este proyecto empezado cuando vi una gr             
 
              
            
				   
			 
              
             
               ¿Busca un proyecto de electrónica simple obtener alguna práctica con Arduino y PWM? ¡ Prueba esto!Aquí está lo que usted necesita:1 x cable USB + Arduino UNO6 x color LED de tu elección (yo usé 3 rojo, 3 amarillo)6 x 1 k resistencias8 x macho para ca             
 
              
            
				   
			 
              
             
               Este es uno de los primeros proyectos que he hecho con Arduino. Es una pequeña sirena con un LED que se desvanece y parpadea encendido y apagado. Demuestra uso básico del LED y los altavoces. Consulta también este artículo: escudo de programación de             
 
              
            
				   
			 
              
             
               Estas linternas de mini simple tienen pocas partes básicas y gran patio trasero o parte de iluminación. Toman menos de 10 minutos para hacer.Paso 1: Herramientas y materialesUsted necesitará los siguientes elementos.Herramientas:Tijeras podadoras del             
 
              
            
				   
			 
              
             
               hacer este mini cool palillo ligero LEDPaso 1: Elementos necesarios 1. pluma2. caliente glu stick3. 2 pilas de reloj pequeño4. rojo, verde o blu LEDPaso 2: creación desarmar la pluma toda y mantenga el tuboPaso 3: creación #2 fuerza de glu caliente p