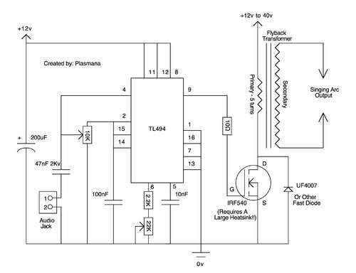
Paso 2: Flyback Driver




Conecte todo como dice, para probar y ver que si el tl494 es oscilante y poner un altavoz donde la mosca es volver y cambiar el voltaje a 12V debe oír un chillido fuerte, si no juega con las macetas o mira por encima de su circuito. Una otra razón que quise usar el Tl494 como conductor es porque pensé que también sería producir música desde el arco. Pronto estaba decepcionado cuando el sonido salía el fly back y el arco de la bobina de tesla fue el sonido de la brecha de la chispa. Si alguien sabe cómo audio mod esto me encantaría saber! El índice secundario de la bocina de plasma manual de reparacion de flybacks es el DC de alto voltaje de la bobina de tesla esquemática.
La cam no recoge la chirriante puede barly oírlo
También hay otro conductor que funciona bien, pero no voy a entrar en él. mal da el esquema su llamado driver ZVS.