Paso 1: Comunicación MIDI y su recepción en Arduino



No explicamos todo sobre MIDI. Sólo usaremos comandos Nota y nota y sus parámetros, el tono y la velocidad (de 0 a 127).
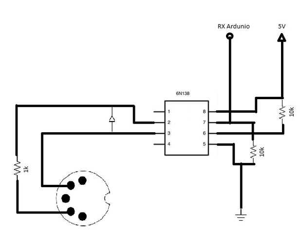
Para recibir comandos Midi en Arduino deberemos acondicionar la señal de Midi (a través de cable de 5 pines), que es actual para que Arduino puede interpretar mensajes Midi.
Utilizamos un optoacoplador como 6N138. Puede ver la configuración de la imagen de arriba.
Así, podemos leer los mensajes Midi Arduino usando MIDI biblioteca.