Midi Blaster 5000 (1 / 13 paso)

Paso 1: Esquema y Resumen

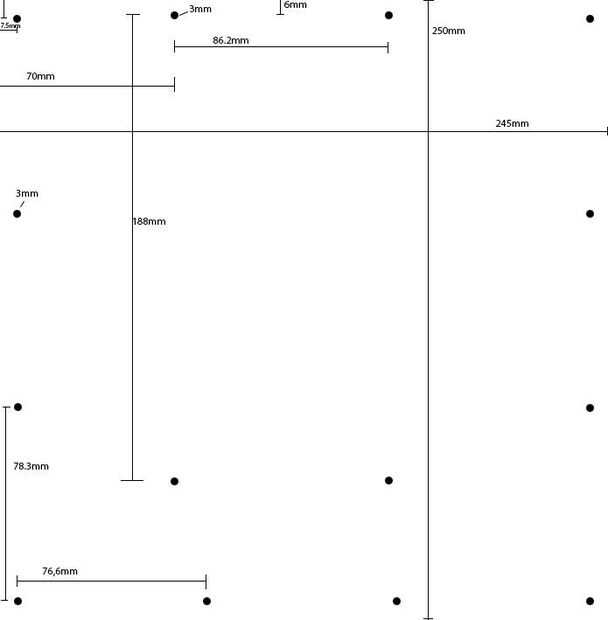
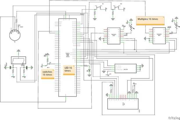
Todos los esquemas y las conexiones de pines de Arduino para este proyecto se muestran arriba.

ATTN! Necesita varios conocimientos técnicos para este proyecto!

IMG_10 muestra el trazado de circuito de todos los componentes.

Artículos Relacionados

Transformadores estuche: Blaster

Transformadores estuche: Blaster

cuando los transformadores van a convenciones, generalmente tenemos que encontrar a alguien o algún lugar seguro para albergar nuestras pertenencias (billeteras, celulares, ropa extra, etc.. En un esfuerzo para crear un maletín temático transformador
Optimus Prime Ion Blaster

Optimus Prime Ion Blaster

encuentra el instructivo para el disfraz de Optimus Prime y me fui a la ciudad en edificio mío. Quería dar un paso más y añadir su arma principal. Aquí está cómo lo hice. Necesitarás: - 3" tubos de cartón - 4" tubo de cartón - cartón regular - b
Pocket Rocket Blaster

Pocket Rocket Blaster

aquí es un proyecto poco aseado y muy simple que puede ser completado por los estudiantes tan jóvenes como de tercer grado (con algunas orientaciones). El blaster de cohete de bolsillo utiliza un tubo de crema dental vacíos y una pajita para lanzar c
Sonido Blaster X-Fi I/O Drive (panel frontal) fijar

Sonido Blaster X-Fi I/O Drive (panel frontal) fijar

cómo arreglar la unidad de entrada-salida de la serie Sound Blaster X-Fi Titanium Fatal1ty campeónCuando wont luz arriba o hacer cualquier cosa.Los conectores en los extremos de los cables son difíciles de obtener sentado.Después de estar de los cone
Controlador MIDI de Arcade

Controlador MIDI de Arcade

Estoy seguro que has visto esos cool videos de personas jamming en una caja con un montón de botones en él. Bueno, hoy, mostrará usted cómo también puede hacer una caja con la que usted puede hacer mermeladas. < > Inspirado en el clásico combate de
Cómo se mide la potencia de una célula Solar.

Cómo se mide la potencia de una célula Solar.

Tan sólo ha podrido una célula solar que estaba a punto de formar parte de un relleno sanitario. Bueno, bueno para el medio ambiente y aún mejor para su próximo proyecto solar. Pero, ¿qué hace esa celda solar realmente? Tal vez una mala célula solar
LEGO electrónica DL-44 Blaster (luz y sonido)

LEGO electrónica DL-44 Blaster (luz y sonido)

Actualización: este proyecto ya está disponible en Ideas LEGO --tan seguro apoyo si desea verlo a la venta en tiendas algún día!Construido originalmente para el año 2014 de día de Star Wars, les presento a un proyecto que he estado constantemente rev
Mesa de mezcla MIDI-codicioso

Mesa de mezcla MIDI-codicioso

Quería construir una mesa de mezclas con altavoces integrados que cumple con mis expectativas en calidad y tamaño. Una mesa de mezclas siempre listo para usar cuando estoy de humor para ser creativos o simplemente ganas de escuchar mi música favorita
Una teoría completamente nueva en el edificio de pirámides (que yo sepa)

Una teoría completamente nueva en el edificio de pirámides (que yo sepa)

Así que, aquí está la premisa: eres un multimillonario punto com, o el inventor de un sabor de aplicación de software de medios de comunicación social, o tal vez sólo consiguió dejaste ollas de dinero por su viejo tío rico y tu minino BFF acaba de pe
Sintetizador MIDI programable con Intel Edison y Csound

Sintetizador MIDI programable con Intel Edison y Csound

Es un controlador MIDI como el teclado de una computadora, pero en lugar de enviar caracteres a la computadora, enviar notas (y un montón de información adicional acerca de cómo se juega la nota). Usted puede aprender más sobre controladores MIDI aqu
MIDI a WAVE - Windows Edition

MIDI a WAVE - Windows Edition

Hace un tiempo publiqué un Ubuntu de MIDI al convertidor de onda. Yo finalmente han sentado aquí y escribió un script por lotes (Windows) que puede hacer lo mismo. No era fácil como lote es raro. Pero finalmente lo conseguí hacer. Así que aquí vamos.
Impresionante proyección 3D pirámide en 10 min de la hoja de plástico transparente!

Impresionante proyección 3D pirámide en 10 min de la hoja de plástico transparente!

Sorprenderá la sencillez de este mecanismo y su practicidadUtilizar tu smartphone para proyectar imágenes holográficas en 3D y vídeos sin ningún tipo de modificación o 3D gafaSer mistificado por imágenes y videos apareciendo en su smartphone!Todo est
Pirámide de portalápices Horizontal (hecho de latas)

Pirámide de portalápices Horizontal (hecho de latas)

Hice esto para utilizar algunas latas de coca cola de edición especial con ilustraciones divertidas, que quería mantener, pero también se saturan mis cajones.Lo uso para guardar cosas que no uso que muchas veces, mientras se mantiene en pantalla. Es
Controlador de pie MIDI (Pedalera controladora MIDI) para Amplitube 3.

Controlador de pie MIDI (Pedalera controladora MIDI) para Amplitube 3.

Instrucciones de armado y puesta en funcionamiento del Midi pedal.(Pedalera controladora MIDI) para Amplitube 3.Hola, uso habitualmente el programa Amplitube 3 para practicar con mi Guitarra, realmente me gustan mucho los sonidos y posibilidades de c