Paso 4: Decodificador DTMF para el control remoto y domótica





Componente necesario para
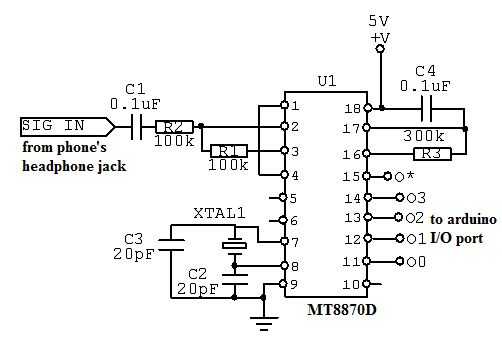
1. MT8870D o CM8870 o IC del HT9170
2. condensador (0.1uF x 2, 15-20pF x 2)
3. resistencia (300 K x 1, 100 K x 2)
4. cristal (3.579545 MHz x 1)
5. tablero de pan
El diagrama del circuito del receptor/decodificador DTMF se da arriba. Cristal está conectado al pin 7 y 8. Dos 20pf condensador se conecta entre el cristal y el suelo (no es obligatorio, no puede usar pf condensador o usted puede usar cualquiera en gama de 15pf - 30pf). Para el resistor de 100K que puede utilizar alrededor de 150K y 300K puede usarse alrededor de 400K. Pin 5 y 6 debe ser conectado a tierra y pin 10 se debe conectar a vcc (no se muestra en el esquema). Para más detalles consulte la hoja de datos del MT8870.
Imagen de mi módulo completo de DTMF está subido encima de. Configuración de pines del conector de auriculares de Nokia se da aquí. altavoz + ive es conectado al pin 2 del IC a través de 104pf (104pf = 0.1uf) condensador y resistor de la serie de 100 k. Altavoz - ive está conectado a tierra. MIC + - ive e ive permanecerá abiertas. Cabeza los cables están aislados por el aislamiento de color diferente. Para soldar estos cables a la placa tienes que quitar el aislante. Puede utilizar papel de lija o usar fuego de fósforo para quemar el aislamiento. Poner el terminal del cable en el fuego durante 2-3 segundos se quema el aislamiento. Ahora puede soldar el cable al pcb.
Si no quieres tomar la carga de hacer este módulo DTMF puede usar escudo de Seeedstudio DTMF, uno muy chulo.
¿Quiere saber más acerca de DTMF? haga clic aquí