Paso 2: Descripción del circuito


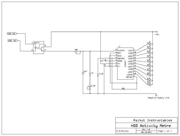
Volviendo al proyecto y dando algunos detalles técnicos. Es nuestra señal de la fuente que va extrayendo de la motherboard de la PC va a ser de los dos cables van a los LED de disco duro. La + cables – ve y ve ahora se va a Optocoupler CNY17 que actuará como sensor.
Y el corazón del circuito se encuentra en el IC - LM3915 o usted puede usar el LM3914. Este IC se utiliza generalmente como comparadores de tensión y aquí manejará el LED. La señal reforzada que se recibe desde el optoacoplador se va CNY17 del pin 4 a pin señal 5 de IC - LM3915. Cuando hay acuerdo con la actividad de la unidad duro habrá fluctuación de la tensión y en consecuencia salta el LED.
Hay dos modos en este IC. Uno es el modo de barra y el otro es el modo de punto. En Bar modo verá que todo el LED se iluminará a lo largo de y modo de punto es que usted verá sólo un LED independiente que brilla desde abajo para arriba. Puede utilizar cualquiera de los dos. Lo único que tienes que hacer es cuando da voltaje positivo al Pin Nº 9 actuará como una barra mode y si corte la tensión de alimentación de esta línea el LED actuará como un modo de punto. Si desea ambos modos sean accesibles como lo hice te necesitan sólo tiene que añadir un interruptor para la conexión de este pin la fuente ve +.
Te sugiero que primero montar todos los componentes en un protoboard ya que será más fácil para los principiantes.
Después de la terminación usted puede conectar a la placa madre línea HDD LED y energía. Te sugiero que no utilice la fuente de alimentación de PC ya que facilitaría las SMPS. Usted puede hacer un separado 12v fuente de alimentación regulada, o puede usar una batería de ácido plomo 12V simple como yo lo hice en mi proyecto. Pero asegúrese de que la independiente de suministro de energía.