Paso 3: Hacer personalizado construido relé módulo tablero y temperatura del sensor





Placa de relé módulo - necesidades construidas personalizadas:
1. impreso PCB
2. relés de
3. resistencias
4. diodos
5. los transistores
5. opcional LED
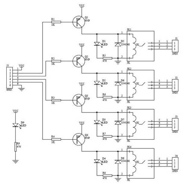
Al realizar esta tarjeta de relé utilizar esquemas como el de la imagen. Para usar los transistores BC556, 1n4005 diodo (que tengo en casa), relés con bobina de 12V.
Conectar estos componentes como usted consigue el cuadro.
Sensor de temperatura analógico - costumbre construido necesita:
1. impreso PCB
2. IC LM358
3. termistor 10K
4. resistencia de 10K
Cuando usted conecta los componentes de atención a que lado te hacia el IC del LM358.