Mejor LED como sensor de luz (2 / 4 paso)

Paso 2: Configuración de todo

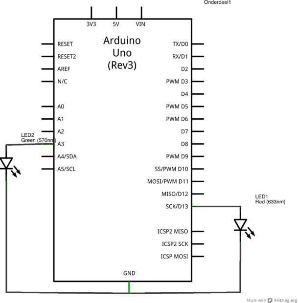
Para este proyecto, solo tienes que poner los dos LED en el Arduino.

  • Poner el LED que queremos usar como el sensor con el cable largo (este es el ánodo y el positivo) clavija analógica 3 en el Arduino. Esto también podría ser un otro pin analógico, pero entonces usted necesita cambiar esto en el bosquejo más adelante.
    Poner el otro, cable corto en la tierra.
  • Poner el otro LED con el cable largo en el pin 13 (digital) en el Arduino. Poner el cable corto en la tierra que está junto al pin 13.

Ahora sólo tienes que conectar la placa Arduino con el ordenador y la diversión puede comenzar.

Artículos Relacionados

LEDs como sensores de luz

LEDs como sensores de luz

LEDs son grandes para hacer luz, pero puede percibir la luz demasiado!Recientemente me topé con este sitio que menciona, "en 1977, Forrest M. Mims nos recuerda en uno de sus"Cuadernos del ingeniero"que LED puede utilizarse también como foto
LEDs como sensores de temperatura

LEDs como sensores de temperatura

Utilizando el microcontrolador de Arduino que he ideado un método para usar el voltaje producido por un poder llevó a medir su propia temperatura en +-10 ° C sin necesidad de un sensor de temperatura externo por ejemplo, termopar, termistor o sensor
Arduino - Led y Sensor de luz con

Arduino - Led y Sensor de luz con

int led = 13;void setup() {}Serial.Begin(9600);pinMode (led, salida);}void loop() {}int sensorValue = analogRead(A0);voltaje del flotador = sensorValue * (5.0 / 1023.0);Serial.Print ("Valore:");Serial.println(Voltage);retardo (400);Si (tensión &
Pruebas de LED y varios sensores de luz

Pruebas de LED y varios sensores de luz

Dos circuitos que estaba haciendo, un sensor de proximidad y un perseguidor del sol, no funcionaban como era de esperar, y así que decidí probar la sensibilidad de los sensores de luz estos circuitos utilizados. En la investigación del tema, me ha so
LED como un SENSOR de luz

LED como un SENSOR de luz

LED = diodo de emisión de luzQue se hace intencionalmente para emitir la luz y se utiliza material semiconductor.Ha sido observar que este led es normal no sólo emiten luz de longitud de onda particular pero el hecho más sorprendente encontrar que el
Linterna de LED de sensor (9v, con video detector de luz / oscuridad)

Linterna de LED de sensor (9v, con video detector de luz / oscuridad)

este instructable trata de hacer un flashlite de LED con sensor de luz / oscuridad. se enciende automáticamente cuando la oscuridad y se apaga cuando su día.Paso 1: Paso 1: recolectar las partes:Aquí está lo que necesita:1. LDR (Resistor luz detecció
Medición de luz con Sensor de luz

Medición de luz con Sensor de luz

Este es un instructable sobre nuestro proyecto de clase sobre la medición de luz usando un sensor de luz. Al final de este instructable podrás construir un circuito de trabajo y programar un sensor de luz LDR para poder leer a la luz del sol e imprim
Sensor de luz electrónico simple

Sensor de luz electrónico simple

puedo publicar un instructable para esto.Este es un proyecto de electrónica simple que me marcado. Usé plástico formado vacío para hacer el caso. Para hacerlo simplemente me hizo una sólida caja de madera y ponerlo en una máquina que se derrite el pl
Arduino: LED de uso como un sensor de luz

Arduino: LED de uso como un sensor de luz

hace un tiempo leí un blog sobre el uso de un LED normal como un sensor de luz. Después de navegar por Internet, encontré que todos los ejemplos que he encontrado no funcionaban bien o duro de leer. Entonces me topé con este instructable:Sin embargo,
Un interruptor de sensor de luz mejor (PCB incluidos)

Un interruptor de sensor de luz mejor (PCB incluidos)

Hace algún tiempo me preguntaron por mi padre a diseñar un circuito sensor de luz para él, él tiene algunos LED instalado y de un solar panel y un arreglo de batería, que él entonces utiliza sus luces del jardín. La función de este sensor de luz era
Con un LED para un Sensor de luz

Con un LED para un Sensor de luz

hasta hace poco, Foto-resistencias de CD ' s (sulfuro de cadmio) se han utilizado comúnmente para aplicaciones de detección de luz. Por desgracia, tienen problemas. Puesto que las células CdS contienen cadmio, un metal pesado tóxico, presentan un pro
Forma de Sensor de luz LDR y LED

Forma de Sensor de luz LDR y LED

Construir un sensor de luz de solo unas pocas piezas!Paso 1: Materiallist y esquemasLo que usted necesita:PowerSourceProtoboardJumperwireLEDLDRPoner todo junto como se muestra en los esquemas y probarlo.
Capa de Star Wars de Sensor de luz (Pop como es Hoth)

Capa de Star Wars de Sensor de luz (Pop como es Hoth)

Este es un divertido proyecto que utiliza un Arduino Lilypad junto con un sensor de luz y zumbador para jugar el tema de star wars cuando el cuello de un abrigo de Chewbacca se gira hacia arriba y entonces se detiene cuando el collar se coloca detrás
Como hacer un sensor de luz y sensor oscuro

Como hacer un sensor de luz y sensor oscuro

Hola... todo el mundo y este es mi segundo instructivo por favor dar me aconsejan y señalar las áreas en que puedo mejorar.Por favor, después de mirar a mi proyecto de dar una calificación honesta.Paso 1: Cosas que usted necesita1) IC LM358IC LM7805