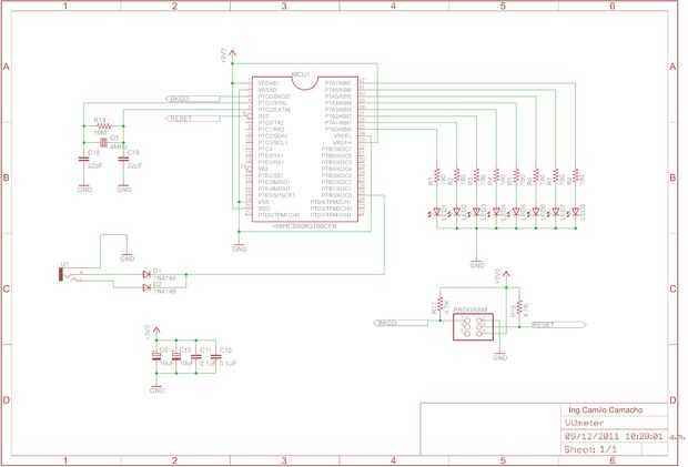
MEDIDOR de VU en un Freescale HCS08

consiste en hacer el famoso medidor de VU o visualización de nivel de audio mediante una matriz de LEDs.

http://www.youtube.com/watch?v=1HCKX00H7SY

Usted puede ver el procedimiento aquí
http://candelectronica.blogspot.com/2011/12/LED-VU-meter-en-un-HCS08-Freescale.html

Le cand descargar archivos de código fuente. Para compilar el proyecto utilice IDE Freescale Codewarrior v6.3 edición especial (es gratis)

Artículos Relacionados

Cómo construir un módulo de aviónica de Freescale

Cómo construir un módulo de aviónica de Freescale

Así que tenemos un hobby un poco caro pero extrañamente satisfactorio: alta energía Rocketry.Alta energía rocketry es exactamente lo que parece, es una clase de cohetería Amateur con cohetes más grandes y motores sólidos más grandes. Para más informa
Cómo iniciar un módulo de aviónica de Freescale

Cómo iniciar un módulo de aviónica de Freescale

En un Instructable anterior, nos fuimos sobre cómo construir un módulo de aviónica usando un FreescaleFRDM-K64F dev board, una junta IMU FRDM-STBC-AGM01 9 ejes y un sensor de presión y temperatura de MPL3115A2 . En este Instructables nos vamos a ir s
Medidor de distancia ultrasónico con pantalla LCD en el Arduino UNO

Medidor de distancia ultrasónico con pantalla LCD en el Arduino UNO

En este tutorial vamos a ver un uso distinto del módulo de ultrasonidos HC-SR04. Este módulo es de uso frecuente en coches de juguetes y robots para localizar obstáculos pero puede ser utilizado para medir distancias así.Distancias medidas por la HC-
Medidor digital de Gauss

Medidor digital de Gauss

Todo el mundo le gusta los imanes. Jugando con la fuerza mágica invisible de imanes permanentes es de todas las edades.Trasteando con las bobinas, relevadores y muchos otros dispositivos magnéticos necesita a veces una herramienta de medición de dens
Agarre el medidor de intensidad (Dynometer)

Agarre el medidor de intensidad (Dynometer)

Este dispositivo simple y barato (un comercial de uno le costará $97) medirá la fuerza de agarre de mano. Se hace de 4 componentes: un indicador de presión de bomba de combustible, un tubo de goma, un conector de tubería y una botella de agua plástic
Medidor de RPM de Alto Suzuki

Medidor de RPM de Alto Suzuki

Maruti Suzuki alto coche es un coche de motor de 3 cilindros 800CC. es un coche de la impulsión manual, por lo que necesito para arreglar el medidor de RPM para él porque no viene fábrica cabida medidor de RPM. Así que he buscado en ebay y mercado lo
Medidor eléctrico de Sigfox

Medidor eléctrico de Sigfox

Descripción:Este proyecto le mostrará cómo obtener el consumo de electricidad usando un pequeño dispositivo conectado a su medidor eléctrico. Tenga en cuenta que sólo funciona con el "Compteur Electrique Triphasé agréé FED, ECS, 60A / 40KWh Multi tar
Cómo se mide la potencia del láser de CO2 láser máquina de grabado y corte por láser utilizando un simplificado (bajo coste) CO2 láser medidor de potencia

Cómo se mide la potencia del láser de CO2 láser máquina de grabado y corte por láser utilizando un simplificado (bajo coste) CO2 láser medidor de potencia

medidores de potencia láser más CO2 son muy costosos y están equipadas con capacidades mucho más allá de lo que necesita el común láser máquina operador/propietario.  Estas instrucciones muestran una sub-$100 laser power meter sonda en el trabajo, to
Calidad de vida medidor Mk.2 - inteligente y conectado

Calidad de vida medidor Mk.2 - inteligente y conectado

Hace un tiempo creé un medidor de calidad de vida, basado en una broma corriente en la que trabajo. Esencialmente era una versión de la versión de pizarra con que empezamos LED. Cuando se trabaja en esa primera iteración que sabía que había muchas ma
Barato medidor de luz y LED Tester para menos entonces $5

Barato medidor de luz y LED Tester para menos entonces $5

Ive sido jugando con LED de alta luminosidad de un proyector LCD LED. El problema que encontré fue su muy difícil, por lo que ver si todos los LED son el mismo brillo y tan difícil de comparar LED individual. También si rápidamente quiso comprobar un
Fácil de hacer el medidor de empuje

Fácil de hacer el medidor de empuje

Hola. En anterior instructable veíamos cómo controlar sin cepillo motor(link). En este vídeo te mostrará cómo hacer un helicóptero primitivo y un medidor de empuje. En realidad, vamos a hacer sólo una cosa. Un helicóptero que también es un medidor de
Cómo empezar con el Freescale libertad KL25Z

Cómo empezar con el Freescale libertad KL25Z

Hola, hoy quiero intoduct a la Junta de libertad de Freescale con el procesador KL25Z. Es un desarrollo construido y selled por Freescale. Cuenta con un ARM® Cortex™-M0 +, trabajando en los 48Mhz.Características:48MhzFlash de 128KB16KB SRAMUSB OTGUn
Medidor en línea de Windows 10 IoT

Medidor en línea de Windows 10 IoT

Este proyecto es una pequeña demostración de cómo se puede construir un pequeño circuito para controlar tu conexión a internet con frambuesa Pi 2 y Windows 10 IoT Core.Después le mostrará cómo configurar su frambuesa Pi 2 con Windows 10 IoT base, con
"Ghetto" agua medidor clave

"Ghetto" agua medidor clave

este es un medidor de agua común que se encuentra en los Estados Unidos. Observe la flecha blanca. Es sólo sobre el cierre de la válvula. La foto es de Google imágenes. Mi metro es en un pozo mucho más profundo y la válvula es mucho más difícil de al