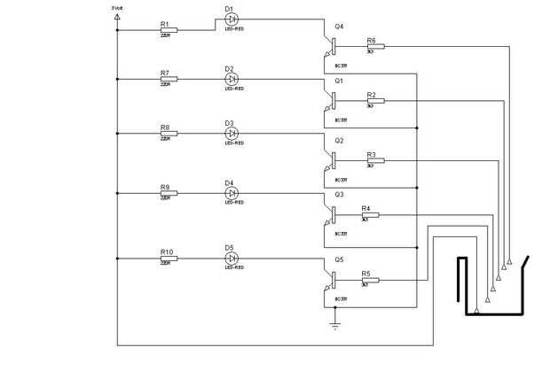
Medidor de nivel de jarro Led

este es un simple medidor de nivel de agua consiste de:
8 LED
8 transistores BC337.
8 resistencia de 3 ohm de 3 k.
8 resistencia de 220 ohm.
Disco bus cable como un sensor (véase los cuadros).
1 jarra
2 * 1,5 voltios.
Soporte de la batería.

Etiquetas: LED, Sensor, Agua, Nivel, Jarro, BC337, Husam

Artículos Relacionados

Medidor de nivel LED impresionante

Medidor de nivel LED impresionante

esto iba a ser mi entrada al 'concurso consigue el LED hacia fuera', pero era demasiado lento.Era un día aburrido. Quería construir algo fresco. Un poco rápido de intercambio de ideas y nada ocurrió. Cavar a través de mis cajas de los desperdicios, e
Super preciso medidor de nivel

Super preciso medidor de nivel

este contador del agua el medidor de nivel más exacto tengo siempre utiliza (sin contar micrómetros o pinzas).Es más fácil de usar y más preciso que el uso de un nivel de burbuja y línea o cinta métrica. Se puede hacer por una persona, puede ser util
Crear un medidor de VU y discoteca led con frambuesa Pi programación Visual

Crear un medidor de VU y discoteca led con frambuesa Pi programación Visual

crear un reproductor de música simple con un medidor de VU y una luz. Te hace falta:-10 LED-Un modelo de frambuesa Pi B-protoboard-1 LED RGB-Resistencias de Ohm 10 220-los cables de puenteSe puede programar usando Wyliodrin en www.wyliodrin.com.
¿Jarro LED lámpara de leche

¿Jarro LED lámpara de leche

tienen cualquier jarras de leche adicional puesta alrededor de su casa? Si lo haces, estás un paso más cerca de un proyecto de iluminación ingenioso y divertido. La lámpara de LED de la jarra de leche es fácil de hacer, elegante y a tomar sólo un peq
Arduino dual ultrasonido líquido Medidor de nivel con sitio web integrado

Arduino dual ultrasonido líquido Medidor de nivel con sitio web integrado

este proyecto le permite monitorear el nivel de 2 contenedores llenada de líquido. Los niveles podrán ser mostrados en una página web. El ejemplo siguiente tiene un sensor conectado por cable y otro sensor conectado inalámbricamente por XBee.El sitio
Cómo construir un 8 x 8 x 8 led cubo (versión en inglés)

Cómo construir un 8 x 8 x 8 led cubo (versión en inglés)

Gracias a ISACCO que ayudó a mí a traducir este INSTRUCTABLEProbablemente has llegado a esta página porque has visto uno de lo video clips en cubos led, que se propagan en la internet, y han decidido construir uno tú mismo.Bien, me alegra saber que t
Venga costruire un led cubo 8 x 8 x 8 (versión italiana)

Venga costruire un led cubo 8 x 8 x 8 (versión italiana)

Probabilmente siete capitati en questa pagina perche' avete visto uno dei tanti video sui led cubo circolano por la rete ed avete deciso di costruirne uno tutto vostro...Bene, sono felice di informarvi siete arrivati nel posto giusto: troverete i mie
Velas de PVC parpadeo LED

Velas de PVC parpadeo LED

Este que le mostrará cómo hacer una vela de PVC en niveles 3 con LED parpadeante, tubería de pvc y pegamento caliente!Estas podrían utilizarse para Halloween, bodas centros de mesa, decoración para el hogar y regalos!!!!Compré todos mis artículos de
NIVEL cabeza - EL cable de auriculares

NIVEL cabeza - EL cable de auriculares

estos son unos videos demostrando Level Headed--EL cable de auriculares que reaccionan a la música que se escucha demasiado! La primera presenta los auriculares con EL alambre y la segunda, muestra sólo el cable del auricular decorado. Por desgracia,
Portátil Led sistema de juego

Portátil Led sistema de juego

Este es un muy fácil de hacer sistema video del juego con una pantalla LED.Lo hice tratando de mantener como diminutos y baratos como sea posible.Utiliza sólo un IC y un PIC16F628A 9 transistores bipolares, tiene 4 botones para el control y un interr
Como hacer LED fundido con Digispark

Como hacer LED fundido con Digispark

https://www.dropbox.com/s/zj1mg9ewo62ttw7/animoto_high_res.mp4MATERIALES NECESARIOS(En orden)artículo proveedor Cat # resistor de 220 Ohmios cantidad digikey.com 220QBK-ND 3 LED RGB digikey.com 754-1492-ND 1 header hembra 3 pin digikey.com S7001-ND 1
Medir nivel de agua con sensor ultrasónico

Medir nivel de agua con sensor ultrasónico

Para mi próximo gran proyecto (planta automatizada del sistema de riego) yo necesitaba tener medidor de nivel de agua. Yo estaba eligiendo entre contacto y sin contacto métodos de medición de nivel de líquido en el tanque. Métodos de contacto son mét
9 LED VU Meter pistas de 12v

9 LED VU Meter pistas de 12v

este es un medidor de vu 9 de LED que funciona en 12v .es muy simple y eficaz trabaja con cualquier fuente de audio. Ya he construido y probado este circuito funciona bien. Diseñé este circuito para mi amigo que me pidió para construir 1 que debe ir
Personalizado LED táctil luminaria

Personalizado LED táctil luminaria

mi esposa y yo realmente no importa para las luminarias que salieron camper quinta rueda, así que decidimos reemplazarlos con un par de barato, emparejar accesorios encontramos en espacio libre. Desde las luces Campero en 12V DC, sabía que tenía que