Paso 7: Configurar el Hardware








Si decides ir independiente te animo a mantener algunas cosas en cuenta:
- El pin del Arduino y el chip atMega sí mismo no es lo mismo. es decir pin 13 en el chip y Arduino no son los mismos.
- Debe tener un regulador de voltaje de 5v.
- Ser paciente
Voy a suponer que sólo vas a usar el Arduino.
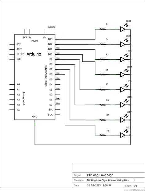
Nota: Si es tu primera vez usando LED y Arduino por favor familiarizarse con el cuadro de LED incluí.
Para evitar daños en el LED que usted tendrá que usar una resistencia en el lado del ánodo del LED para esto usé una resistencia de 220 Ohmios estándar.
Para aclarar te va alambre cada led del PIN # -> resistencia -> ánodo y cátodo -> Common Ground
Asegúrese de que todo es un terreno común.
Una vez que todo poner cada LED en su agujero de LED de perspectiva en el soporte de LED sin pegamento.
Alambre en un interruptor o simplemente desconecte la fuente de energía.
Conexión de la alimentación
Asegure la tapa con el proyecto de los tornillos de la caja.