Paso 4: MAX7219 implementación del controlador

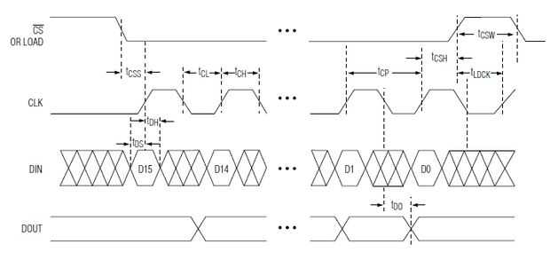
Para una descripción técnica detallada de la operación MAX7219 por favor echa un vistazo en el artículo relacionado u hoja de datos.
1. inicialización
2. escribir datos de seriadas
3. el sistema de registro
4. convertir anf imprimir número entero en formato xxxx
5. crear una etapa de inicio la exhibición 'Cero'
6. MAX7219 inicialización
7. pantalla - 9999 contador de prueba