Paso 2: Hardware y esquema

1 x - Basic Stamp 2
20 x - diodos emisores de luz (LEDs) del mismo tipo (color y voltaje la gota)
5 x - resistencias (ver a continuación sobre el valor de la resistencia)
Auxiliares opcionales:
Método de programación su BS2
Pulsador momentáneo como un interruptor de reinicio
6V-9vPower de la fuente dependiendo de su versión del BS2 (leer el manual)
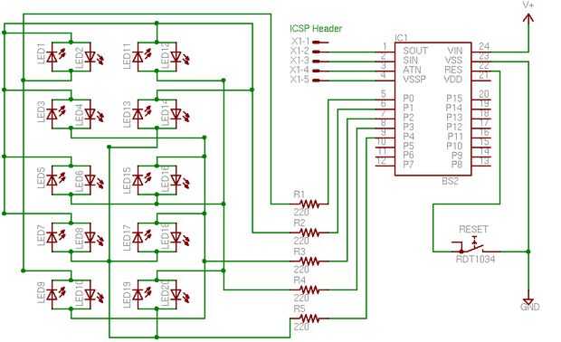
El esquema:
Este esquema se pone junto con el diseño mecánico en mente. Podrás ver la retícula de LEDs en la izquierda, esta es la orientación que se ha escrito el código de BS2. Tenga en cuenta que cada par de LEDs tienen el ánodo conectado al cátodo del otro. Luego se conectan a uno de los cinco pines de entrada-salida.
Valores de resistencia:
Usted debe calcular sus propios valores de resistencia. Revise la hoja de datos para tu LED o utilizar el ajuste de LED en tu multímetro digital para encontrar la caída de tensión de su LED.
Hagamos algunos cálculos:
Voltaje - caída de tensión / corriente de deseada = valor de la resistencia
El BS2 suministra la alimentación de 5v regulados y puede fuente 20ma de corriente. Mi LED tiene una gota de 1.6v y opera a 20ma.
5V - 1.6v / .02amps = 155ohms
Para proteger su BS2 debe utilizar el siguiente valor de resistencia mayor de lo que se obtiene con el cálculo, en este caso creo que sería 180ohms. He utilizado 220ohms porque mi placa de desarrollo tiene valor de resistencia incorporado para cada perno de la entrada-salida.
Nota: creo que ya que existe una resistencia en cada pin en que esto efectivamente duplica la resistencia cada led ya que es uno de los pines V + y el otro es tierra. Si este es el caso debe reducir los valores de resistencia a la mitad. El efecto adverso de un valor de resistencia demasiado alto es un dimmer LED. ¿Puede alguien verificar esto y me dejan un MP o comentar así puedo actualizar esta información?
Programación:
He estado usando una placa de desarrollo que tiene un conector DB9 para programar el chip en la placa. También utilizo este chip en mi protoboard soldadura menos y han incluido un encabezado en circuito serie programación (ICSP). La cabecera es 5 pernos, pernos de 2 a 5 conectan a los pines 2-5 en un cable serie DB9 (el Pin 1 está sin usar). Tenga en cuenta que usa este ICSP cabecera los pines 6 y 7 del DB9 cable deben conectarse entre sí.
RESET:
Un botón pulsador momentáneo es opcional. Esto sólo tira pin 22 a tierra cuando empuja.