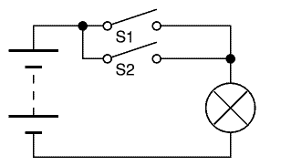
Paso 9: Posible diseño para el uso con interruptores de enganche



Cableado a cualquiera de estos circuitos en paralelo con un interruptor de enganche va a crear el mismo tipo de o puerta. Es diferente en que los interruptores de permanecer activados y el dispositivo se desactiva sólo cuando ambos interruptores están en la posición de apagado.
También podría alambre estos circuitos en serie con el dispositivo. Esto requeriría que deje el interruptor original en la posición de encendido. El beneficio de un interruptor de la serie es que podría estar situado en una cubierta separada. Usted podría hacer un adaptador separado que se podría enchúfalo cualquiera un dispositivo en sin tener que modificar los circuitos internos.