




¡Nuevo! (14/11/2014) Este juego ha sido actualizado a una placa de circuito fabricada profesionalmente y el precio se ha reducido a sólo $9 por kit. (Y para los educadores, un precio de descuento de solamente $8.00 por kit)
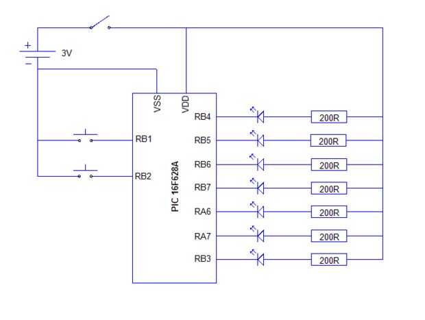
Este juguete de la persistencia de la visión (POV) es fácil de ensamblar y fascinante para jugar con. Es una buena introducción a la electrónica digital y de soldadura. Obras de cada columna de "píxeles" que destella en la sucesión rápida produciendo la ilusión del texto en el aire. Usted puede programar en sus propios mensajes utilizando dos botones. El mensaje se guarda en la memoria "Flash" y permanecerá en el MCU (PIC16F628a) memoria incluso cuando apagado. El mensaje puede cambiarse tan a menudo como usted tiene gusto.
Este juguete POV es similar a la MiniPOV3 con algunas excepciones importantes:
* Pila de botón - más portátil. Fáciles de montar en bicicleta o cualquier otro objeto de spinning.
* Cambiar el mensaje sin necesidad de utilizar un ordenador.
* Menos componentes para soldadura en.
* Menos costosos ( ahora sólo $9! )
Comprar kits en http://www.chinchillakits.com/product/magic-pov-wa...