Paso 2: esquemas

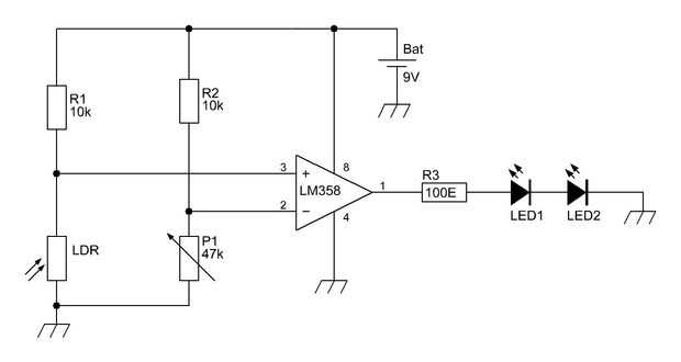
Amplificador operacional LM358 está en el centro del circuito, que funciona como comparador. Comparador compara los voltajes en las entradas y si la entrada de no inversión puerto (+) es más alta, la salida se ajusta al valor máximo (Vcc), pero si puerto de entrada de inversión (-) es más alta, la salida se ajusta al valor mínimo (tierra o 0V en nuestro caso).
En invertir puerto conectar divisor de voltaje para fijar el valor de referencia y se estructura con potenciómetro y resistencia. Puerto de no invertir en conectar el divisor de tensión para medir la intensidad de la luz. Este divisor de tensión es de LDR y resistencia.
En salida conectamos la resistencia y dos LEDs blancos en serie. Resistencia es para limitar la corriente.
¿Cómo funciona este circuito?
En el cuadro de LDR en el paso anterior, puede ver las características de la LDR - con intensidad de luz, está disminuyendo la resistencia de la LDRs. El circuito tiene dos divisores de voltaje:
1) divisor de medición: construir con 10 k ohm resistor y LDR; Si la intensidad de luz es alta, la resistencia es baja, por lo tanto divisores voltaje salida es baja, y si la intensidad de la luz es baja, la resistencia es alta, por lo tanto la salida de voltaje es alta;
2) divisor referencia: construir con 10 k ohm resistencia y potenciómetro; fijamos este potenciómetro valor donde queremos que nuestra noche de luz para encender, se establece empíricamente.
Salidas de los dos divisores son entonces procesados por amplificador operacional como comparador (comparador también es llamado 1-bit ADC debido a su acción descrita anteriormente). Si medir el valor de divisor cae por debajo de nuestro valor de referencia (alta luminosidad), el LED tendrá Tumi fuera. Si medir el valor del divisor es mayor que nuestro valor de referencia (intensidad de luz baja), el LED se encenderá.