Luz de la noche a los niños (13 / 16 paso)

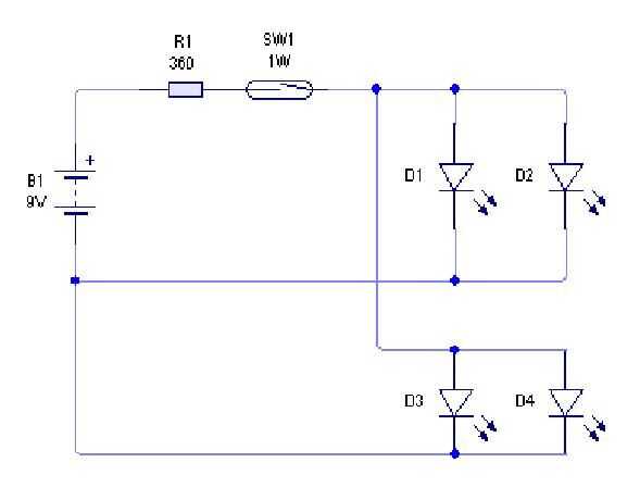
Paso 13: Circuito - soldadura

  • Ver el diagrama del circuito para componentes y cableado posiciones
  • Todos los cables en los componentes de la soldadura y prueba con una batería y la otra mitad del interruptor magnético
  • He usado
    • blanco super brillante LED 5mm
    • Contacto de alarma magnética
    • clip de la batería de 9V
    • batería de 9v PP3
    • 360Ω resistencia

Artículos Relacionados

Lámpara de mesilla de halcón del Milenio / luz de la noche

Lámpara de mesilla de halcón del Milenio / luz de la noche

Este es un pequeño instructivo de cómo hacer una lámpara de noche o una luz nocturna de un modelo del Halcón Milenario o cualquier otro modelo de ello. Con este tipo de instructivo las posibilidades son infinitas. Decidí hacer una nocturna que da de
Luz de la noche temática del rosetón, segunda parte

Luz de la noche temática del rosetón, segunda parte

"Los productos más grandes de la arquitectura son menos los trabajos de las personas que de la sociedad; más bien la descendencia del esfuerzo de una nación, que el flash inspirado de un hombre de genio..."Victor Hugo, el jorobado de Notre-Dame.
Luz de la noche temática de rosetón

Luz de la noche temática de rosetón

' Formamos nuestros edificios; después de eso forma de nosotros.'Winston ChurchillAlgunos edificios tienen profundos significados e invocan sentimientos dentro de nosotros. Estos edificios no sólo reflejan las aspiraciones de la gente que ellos, la d
Actualizado luz Solar de noche Garden-Variety

Actualizado luz Solar de noche Garden-Variety

aquí es algo rápido y fácil que usted puede preparar en menos de una hora, con piezas que ya tengan ahí. Hace un aseado regalo para amigos y familiares!Sí, estoy seguro que has visto luces de jardín solares chorrocientos rellenas en un tarro de masón
Borde móvil encendido / luz de la noche

Borde móvil encendido / luz de la noche

este instructable trata de hacer un borde iluminado móvil para colgar en una habitación de niños (o donde sea).  Imágenes diferentes pueden utilizarse para cualquier edad o cualquier ocasión.  Para la instancia, puede hacer uno para Halloween por esq
Modificar la luz de la noche #AUTOMATIC

Modificar la luz de la noche #AUTOMATIC

Hola chicos...!Estoy con algunos proyectos DIY más interesantes después de algunas veces.En este instructable que estoy compartiendo con usted sobre mi nuevo modificado# Procedimientos de construcción de circuito luz nocturno automático.Este es uno d
Tarro de LED recargable luz de la noche

Tarro de LED recargable luz de la noche

Éste muestra cómo hacer un simple LED recargable había encendido jarra de la foto que podría ser, una obra maestra en el día y una luz en la noche de la noche.He utilizado las fotos del famoso Instructables Robot, eres libre de utilizar cualquier que
Lámpara de la noche de los niños

Lámpara de la noche de los niños

como a menudo los niños quieren tener somekind de luz durante la noche, decidí hacer dos de estos para los niños de mi hermano. Niño mayor está muy interesado en coches (sorpresa, sorpresa). Yo también quería tener algún tipo de movimiento en la lámp
Luz de la noche de la Arduino

Luz de la noche de la Arduino

luz de la noche de la ArduinoEste proyecto crea una luz de noche automática. Las luces se encenderán automáticamente cuando elhabitación es oscuro, y cuando la habitación está clara.Componentes necesarios:1 x Arduino1 x Breadboard3 x 220 Ohm resisten
Luz de la noche de azulejo de vidrio

Luz de la noche de azulejo de vidrio

Se trata de un muy bajo costo (menos de $3,00), bonita y bastante fácil de hacer luz de la noche.He estado trabajando en otro proyecto para mi hija de cuatro años. Instructivo que será eventualmente... estar fuera ya que es hombre de más de 100 horas
Punto de luz de la noche

Punto de luz de la noche

PROBLEMAS:-enchufe tradicional de noche luces estancia de noche-interruptores de luz son demasiado altos para los niños llegar a-enchufes y bombillas regulares no cabrito amistosoOPORTUNIDADES-dar a los niños la opción de apagar la luz cuando necesit
Cómo entrar en la luz de la noche! Concurso de

Cómo entrar en la luz de la noche! Concurso de

Las noches son cada vez más, pero también pueden obtener más brillantes. Queremos saber de qué manera tienes iluminando tu camino o hacerte más fácil de ver. Así nos muestran algunas formas frescos reflectantes o iluminadas para arriba y entrar en la
Luz de la noche del corazón

Luz de la noche del corazón

he encontrado la luz de la noche de corazón roto que utiliza bombilla. Saqué otro vuelco pero cuerpo. Después de jugué con el LDR. Finalmente lo consigo trabajar como quería.He utilizado:-3 x LED rojo Ultra brillante-2 transistores NPN (2N3904)-1 x p
Hacer una luz de noche de los cristales rotos

Hacer una luz de noche de los cristales rotos

todo el mundo sabe el dicho "cuando la vida te da limones, hace limonada." Bueno hace aproximadamente un año, la vida me dio cristal, cerca de cinco galones de la misma. Sólo había lanzado un partido y tenía todos mis muebles de jardín en mi ter