
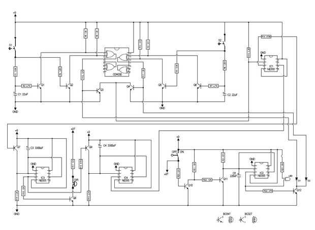
Sólo por diversión he creado un circuito de alarma antirrobo con NE555 y
puertas lógicas. Dos sensores de puerta se pueden conectar al circuito no o NC de configuración.
Cuando el interruptor se abre el dispositivo no funciona.
Al cerrar el interruptor de encendido/apagado la alarma comienza a trabajar con un dalay de tiempo dada por el capacitor C5.
Si el circuito detecta un cambio en la condición de un sensor de la alarma suena con un intervalo de tiempo relacionados con el condensador C3.
El condensador C4 desactiva la alarma, entonces el circuito respalda a la condición de inicio.
La campana funciona incluso si el sensor respalda a la condición de inicio en un instante muy pequeño, por lo que el circuito puede utilizarse para detectar vibraciones.
Aunque esta alarma ha sido probado con éxito, es sólo un proyecto de hobby. En el link pueden encontrar más información y una versión en pdf del circuito.