Paso 2: Realizar el circuito.



Cosas útiles:
Pinout del TIP31:

2N3906 pinout:

El emisor del fototransistor es el cable más largo. El cable más corto del fototransistor debe soldarse al cable negativo (negro) batería titular.
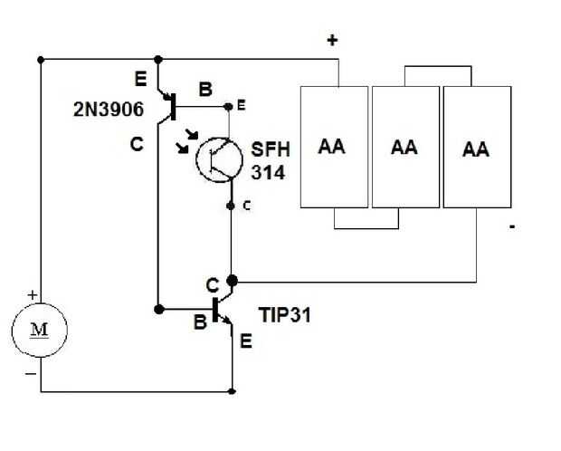
Cosas útiles:
Pinout del TIP31:
2N3906 pinout:
El emisor del fototransistor es el cable más largo. El cable más corto del fototransistor debe soldarse al cable negativo (negro) batería titular.