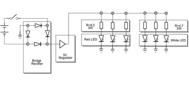
Luces de triciclo (5 / 11 paso)

Paso 5: Construir electrónica de potencia

Montar la electrónica de potencia como se muestra en el diagrama esquemático. Necesitarás conseguir todo lo que encaja en una de 2" por 2" Junta o no cabe en el cuadro de proyecto (incluso entonces es un poco apretado). En la foto es el circuito casi terminado. Carece de las resistencias de LED blanco. El disipador para el regulador de tensión es probablemente opcional, pero tuve algunos sentados y pensé que sería jugar a lo seguro.

Artículos Relacionados

Solar Powered triciclo

Solar Powered triciclo

viajes gratis con el poder del sol!Cómo construir un Trike accionado SolarEl propósito de este proyecto es construir un vehículo que:-Proporciona el transporte libre, 'verde' para las distancias cortas (< 10 millas), por lo tanto no deberánConecte a
LED Rave Solar compras carro triciclo

LED Rave Solar compras carro triciclo

En este instructivo vamos a tomar un carrito de la compra plástico, llenar su cesta controlable LED personalizado impreso PCB, utilizar microcontroladores PIC18F4550 para mostrar texto y sonido los patrones sensibles sobre los LED, soldar mejor rueda
Hacer un GhettoBlaster triciclo

Hacer un GhettoBlaster triciclo

un triciclo ghettoblaster (sólo lo he nombrado) es un triciclo de adulto con los altavoces más fuertes se puede llegar a él. Esta cosa es un recinto completamente fiberglassed con 2 woofers de 15", 5 altavoces y 1 rango medio. Su potencia por un prof
Cómo construir tu propio triciclo

Cómo construir tu propio triciclo

este Instructable le explicará cómo he construido mi propio triciclo, así como servir de guía para otros que quieren construir uno mejor. Costo total fue de ~ $300 + mi propio trabajo y esto es cerca del equivalente de un modelo disponible en el merc
Arco iris bicicleta luces

Arco iris bicicleta luces

Tomar una bicicleta vieja y ver que pasa cuando pones las luces en las ruedas!Este fue un pequeño experimento lo he probado con la ayuda de mi Lydia de sobrina de 12 años de edad y mi mucho (mucho) mayor Trish hermana.Paso 1: El circuito Básicamente
Triciclo eléctrico del Cargo de T-Tech

Triciclo eléctrico del Cargo de T-Tech

Decidimos construir un triciclo eléctrico del cargo para crear una forma eficiente y confiable de transporte entre áreas locales sin el uso de un coche. Además, queríamos una manera de llevar alimentos, otros bienes y posiblemente pequeños en bicicle
Fairyjar luces de la esquina

Fairyjar luces de la esquina

Cuando decorar mi nueva habitación noté un rincón oscuro de mi habitación. En pinterest y en la Web de instructables he encontrado fairyjars que son tarros de masón lleno de fairylights o luces de Navidad. Estos están destinados a poner en tablas y p
Helado batido remolque triciclo

Helado batido remolque triciclo

¡ Bienvenido a mi Instructable primera!Tengo la idea de hacer esto al enseñar una unidad con una clase de Kinder Júnior sobre 'Cosas que se mueven'. Nos habíamos estado hablando sobre cómo podemos utilizar la energía de mover cosas que nos ayuden a t
Triciclo llanta de grasa

Triciclo llanta de grasa

Un triciclo es eminentemente práctico para viajes de media distancia - donde podía caminar pero tardaría un tiempo, y podría bicicleta pero tienes cosas para llevar y tal vez de lugares para visitar en el camino. Tal vez vas a tomar una copa o dos en
Bicicletas luces direccionales - Simple, bajo costo, como el Solar

Bicicletas luces direccionales - Simple, bajo costo, como el Solar

Yo uso mi bicicleta para conmutar para trabajar, y conforme avanza la temporada de otoño me encuentro casa de montar a caballo en la oscuridad. Mientras que mi moto está equipada con luces (y yo con un chaleco reflectante) no estoy particularmente pr
Construcción de una escala de 1:1 Portal Gun con luces

Construcción de una escala de 1:1 Portal Gun con luces

Introducción:Este Instructable detallará el proceso pasaba por construir mi propio Dispositivo Handheld de Portal Aperture Science [AKA la "Portal Gun"] de los juegos de válvula Portal y Portal 2. Aunque la pistola de portales es el foco princip
Luces de LED para impresora tipo 3D Pro serie 1

Luces de LED para impresora tipo 3D Pro serie 1

Este mod funciona con el serie 1 o el Serie 1 Pro.Máquinas de tipo A tiene una impresora 3D en serio gran. Sin embargo, dependiendo de su entorno de trabajo, tienda o estudio tendrá mejor iluminación para su plataforma de construcción. Se consideraro
Luces de frío - o "La trilogía de luz fría de Lavendel"

Luces de frío - o "La trilogía de luz fría de Lavendel"

Hola,otro proyecto de me. Luces frías o "Trilogía de luz el Lavendel frío". Aquí he creado tres diferentes luces de frío con diferentes colores. Cualquier persona puede recrear estas luces con un ver las cosas.Necesitamos:Algunas partes diferent
Luces de tallarines de la piscina

Luces de tallarines de la piscina

Hicimos estas luces fácil de estanque de jardín de Steph.Paso 1: Recoger sus materiales.Todo lo que necesitas es:un tallarín de piscina (que vienen en el típico tipo redondo pero también diversión formas como esta flor uno)batería de encendido luces