Luces de Charco DIY (2 / 7 paso)

Paso 2: Instalación eléctrica

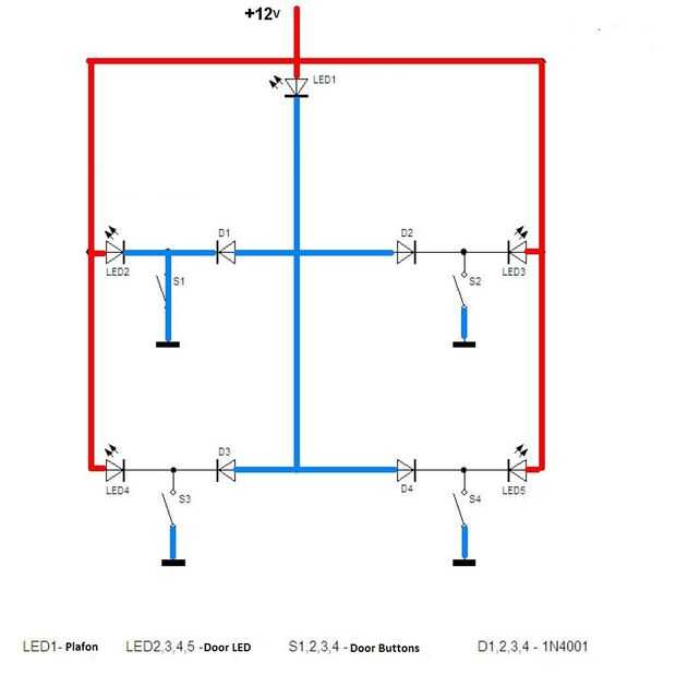
Localizar la caja de fusibles y buscar un cable de alimentación de 12v. Utilicé las luces interiores uno. Empalme en su poder los cables a él utilicé telar de fusibles adicionales para cada Led. Pero usted puede saltar los fusibles Si usted recibe su energía de un cable que ya ha pasó a través de un fusible en el portafusibles. Mi coche sólo tiene botones en el frente dos puertas pero el proceso es el mismo.

Artículos Relacionados

Cómo instalar LED bajo luces de Charco espejo lateral

Cómo instalar LED bajo luces de Charco espejo lateral

Una actualización poco aseada que conductores no siempre tienen en mente es una nueva luz de Charco de espejo lateral. Estas luces iluminan el suelo por debajo de su coche con un resplandor agradable para invertir en un sistema de Luces de Charco de
Luces de Navidad DIY conjunto música - coreografía luces de la casa

Luces de Navidad DIY conjunto música - coreografía luces de la casa

luces de Navidad DIY conjunto música - coreografía luces de la casaEsto no es un principiante DIY. Usted necesitará un asimiento firme en electrónica, circuitería, programación básica y smarts generales sobre seguridad eléctrica. Este DIY es para una
Controlador de luces de Navidad DIY simple

Controlador de luces de Navidad DIY simple

Feliz Navidad y ' All! Sé que es raro que hago un ' ible, pero a hacer una Navidad instructable para usted hoy. Durante un tiempo quieren hacer una configuración de luz de Navidad de controlado por ordenador pero no las piezas a construir uno o el di
Luces de linterna DIY

Luces de linterna DIY

¿has visto las luces de la linterna en las tiendas? $10-30 que he visto! ¿por qué hacerlas por $3-5? Todo lo que necesita es unas herramientas de oficina y luces de Navidad de papel!Paso 1: materiales papel-construcción e impresoragrapadoratijerascin
Luces de bici DIY LED

Luces de bici DIY LED

No tengo coche...Esto significa que la mayoría de las veces, si quiero llegar a algún sitio que tengo que montar en mi bicicleta. Lamentablemente la mayoría de las veces monto en mi bici por la noche. Después de un par cuasi accidentes con coches usa
Árbol de secuencia de las luces al aire libre para las fiestas.

Árbol de secuencia de las luces al aire libre para las fiestas.

Este fue nuestro primer año haciendo algunas luces de Navidad DIY que se sincronizan a la música, así que empezamos a pequeños, añadiendo una característica o dos para nuestra pantalla luz estática existente.Hice un árbol con un tubo del conducto de
Hacer luces Flash

Hacer luces Flash

Fresco luces intermitentes! DIY - los mejores bloopers son aquí muy facilmente para hacer luces de Navidad o cualquier luces twinkle Just hack una cuerda y utilizarlo en cualquier lugar que necesita
LED rojo para el coche (para fiestas de estrellas, etc..)

LED rojo para el coche (para fiestas de estrellas, etc..)

He sido avergonzado en las fiestas de estrellas por las brillante luz tronco y cúpula luces blancas en nuestro Tauro daños de visión nocturna de las personas.Hice algo al respecto, en mi habitual manera barata. Hice luces rojas del LED para sustituir
Deco de ventana luz de noche (no hay alambres o cables hijo seguro)

Deco de ventana luz de noche (no hay alambres o cables hijo seguro)

Este proyecto es excelente para quien desea decorar sus ventanas aburridos, pero no quiero tener los cables alrededor de la casa de seguridad de nuestros hijos.He comprado estas luces de la noche de silicio las mariposas de mi tienda local de dólar.
Luz de bicicleta de halógeno MR11 12V

Luz de bicicleta de halógeno MR11 12V

Instructables tiene un montón de luces de bici DIY, pero aquí está mi versión que es más barato y más ligero que la mayoría. La diferencia es que yo uso más pequeños bulbos de halógeno MR11 que resulta en un producto más compacto, a expensas de un po
Plataforma DIY cabecero con luces

Plataforma DIY cabecero con luces

Este DIY cabecero de palet no es muy acabado pero porque no puedo decidir por la vida de mí si quiero pintarla en un color diferente, o no, todavía estoy indeciso camino. Pero me encantan las luces de la lámpara en la misma cama. Realmente he utiliza
Asiático barato DIY estilo coche luces de la parte de abajo

Asiático barato DIY estilo coche luces de la parte de abajo

hey, im que finalmente mi primer instructable. tengo toneladas de proyectos instructable digno y diys pero nunca tuvo el tiempo para lograr uno. así que durante esta fiesta de la escuela les presento a mi primera-que es la parte de abajo del LED luz
Canalización vertical de longboard skateboard DIY luces de ángulo vertical

Canalización vertical de longboard skateboard DIY luces de ángulo vertical

por lo que casi he atropellado por un coche la otra noche en mi camino a la local walgreens... estaba super oscuro sin luces de la calle y me di cuenta que no era muy visible. había visto las luces en línea vertical... comprobado hacia fuera. demasia
DIY LED policía bicicleta luces

DIY LED policía bicicleta luces

en este tutorial le mostrará cómo hacer barato y personalizado LED luces de bicicleta de la policía. Nota: hice estas luces antes, así que el tutorial no puede ser muy descriptivo. Si tienes preguntas me mensaje!DESCARGO DE RESPONSABILIDAD: YO NO SE