Paso 1: La frambuesa y el amplificador parte





Usé un viejo Pi de frambuesa de la 1. generación de. Todavía es tiempo suficiente para ejecutar Volumio.
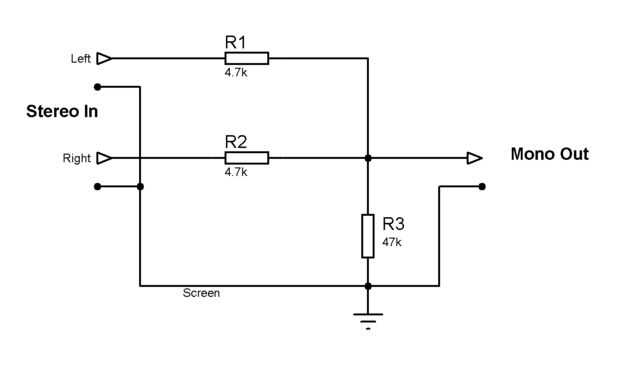
USB DAC tiene una salida estérea pero el amplificador es mono, por lo que utiliza una red de resistencia para convertir la señal de estéreo a mono.
La señal estéreo va desde la salida DAC en el convertidor y que via el poti desde el transformador de audio a los altavoces y los amplificadores de entrada.
El TP-Link conecta el Raspi al mundo.
Por favor mencione que el Raspi tiene su propia fuente de alimentación.