Lm386 Multi Purpose Amp (2 / 3 paso)

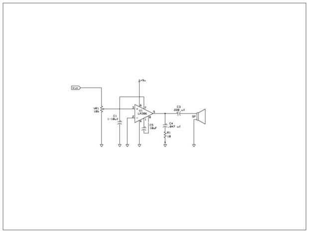
Paso 2: esquemas

Siga los esquemas dados primero en un protoboard para evitar cualquier inconveniente y después ponerlo en un tablero de circuito o purf y soldadura.

Artículos Relacionados

Multi Purpose sombreros

Multi Purpose sombreros

Sombreros multipropósito es una tendencia hoy en día por todos los medios de sobrevivir al aire libre... con estilo!...pero no es sobre el estilo, se trata de ajuste a sus necesidades para conseguir fuera de noche, usando un trozo de tela!.Paso 1: Lo
Multi-purpose Entertainment unit

Multi-purpose Entertainment unit

1. por correo electrónico mi lista corte al proveedor y utilizando una tabla de sierra que cortaron a la medida exacta. Me seco había equipado de la unidad.4. luego había transportado mi madera a la escuela y le dio un ligero lijado. Usando una lija
360 grados Multi propósito brillante luz LED

360 grados Multi propósito brillante luz LED

Hola,Esto es muy útil luz de LED brillante de 360 grados multi propósito. como el nombre sí mismo usted puede encontrar los detalles de esta lámpara...360 grados , esta luz se ilumina la luz en la dirección.Multi purpose significa que esta lámpara se
Amplificador estéreo de bolsillo

Amplificador estéreo de bolsillo

al mismo tiempo de adelante me encontré con este instructable: amplificador de bolsillo recargabley amaba la idea de un amplificador de audio de bolsillo pero estaba decepcionado pero por su falta de capacidad, es decir, sólo usando la amplificación
RSkin - Open Source Robot piel

RSkin - Open Source Robot piel

esta piel textil se diseña para estirar sobre una extremidad robótica para detectar intensidad de presión, así como lugar de contacto en toda su superficie. rSkin fue encargado por Ian Danforth que ayudaron también a fondo el Bilibot, una plataforma
Tienda lámpara de mármol

Tienda lámpara de mármol

Una lámpara de tienda de segunda mano con esta pintura fácil infiltrada técnica y pantalla de upstyle de mármol!Paso 1: Ver el corto video tutorial aquíPaso 2: Usted necesitaráSegunda mano tienda lámpara (pintada de blanca)Placa de madera redondaPega
¿Construir su propio BARBOT

¿Construir su propio BARBOT

Ever quería un servidor licor robótica?He comprado un brazo robótico Lynxmotion el año pasado y un Arduino (deci) para jugar con. Lo tenía serie controlado con una palanca de mando y fue una gran manera de comenzar en robótica. Más recientemente quer
Interactivo, indicador de estado de ánimo fuente abierta

Interactivo, indicador de estado de ánimo fuente abierta

este instructable pasará por cómo hacer una luz de humor interactivo, múltiples funciones. El núcleo de este proyecto es el I2C BlinkM RGB LED. Estaba navegando la web un día, lo BlinkM me llamó la atención, y sólo pensé que era demasiado cool para p
Eavesdropper insectos: Crear un micrófono parabólico de alta ganancia

Eavesdropper insectos: Crear un micrófono parabólico de alta ganancia

mi pregrado menor fue biología evolutiva y siempre particularmente amé mis clases de insecto y aprender cómo evolucionar y coevolve con plantas, animales e insectos de depredador/presa.  Me ha sido un gran fan de insectos sonogramas y amo el sonido d
Conservación Cludge de agua

Conservación Cludge de agua

fácil de construir, puramente mecánico de un fregadero sensor activado. ¿Pude hacer un fregadero sensor activado? sí no hay problema, pero esto fue más divertido de pensar, será más fácil para la persona promedio hacer y no involucra un) poniendo alt
Lámpara de LED UFO

Lámpara de LED UFO

un día caminando en la calle, vi esta "UFO LED lámpara" en la pantalla de un relámpago y fel en amor inmediatamente con él.Generalmente, las luces... bueno, en realidad, hay tantas formas de luces, que no existe ninguna regla, pero estoy seguro
Enciende para arriba el tocón

Enciende para arriba el tocón

Esta luz hasta tocón puede utilizarse de muy diversas maneras. Puede utilizar como una mesa de café, incluso un asiento para alrededor del fuego de campamento, usted puede crear fácilmente varias de ellas para iluminar su camino, o una luz para cuand
InvisaTread instrucciones de uso y Manual de capacitación

InvisaTread instrucciones de uso y Manual de capacitación

Información de cobertura de superficie InvisaTread®8oz – cubre aproximadamente 25 pies cuadrados.Quart-cubre aproximadamente 100 pies cuadrados.Galón-cubre aproximadamente 400 pies cuadrados.5 galones – cubre aproximadamente 2000 pies cuadrados.Cómo
Consejos para trabajar con azulejo

Consejos para trabajar con azulejo

ver un video en InvisaTread Anti Slip solución 1. nunca almacene en el área donde se congele. O donde los niños tienen acceso a ella.2. Limpie cualquier área de derrames tan pronto como sea posible (con gran cantidad de agua de enjuague)3. en las zon