Paso 4: circuitos






DESCRIPCIÓN DE TRABAJO
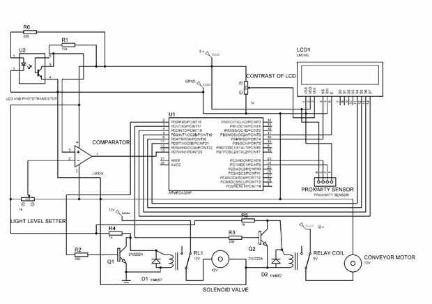
El circuito está provisto de dos diferentes fuentes de energía (dos baterías de 9 voltios) y una de 12v 2.0amp fuente. Hay dos interruptores que se convertirá en el circuito. Cuando el vaso se coloca en la cinta transportadora, cuando se trata entre el LED y el fototransistor, la señal de salida se generará por un comparador, que tiene un valor prefijado por un potenciómetro contra la sensibilidad de la luz recibida por el fototransistor. Esta salida es entonces lee por un 8 bit 32KB Microcontrolador AVR (ATMEGA 328) que inmediatamente se detiene el transportador y transmitirla a través de se encenderá la electroválvula y por lo tanto, el líquido fluirá a través de él por la acción de la gravedad en el vaso a través de la válvula del depósito. El sensor ultrasónico detectará el nivel de agua, siguiendo el Doppler fenómenos, el valor del nivel se establece experimentalmente en la programación. Cuando se alcanza el nivel del líquido el controlador después de tomar la decisión de desconectar la electroválvula y encienda el transportador y le peso para el otro vaso a.