





Esta impresora LEGO se basa en la impresora de reanudación de Prusa I3. La impresora comenzó como un trazador de A4 con motores paso a paso de una vieja impresora HP. Después de actualizar el paso a paso motores motores Nema 17 decidí construir una máquina de eje X, Y y Z. Esto evolucionó en esta impresora.
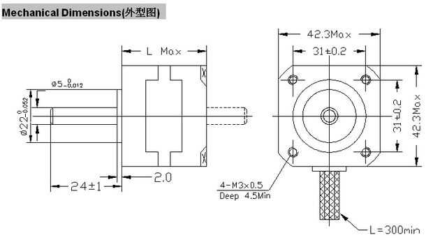
LEGO y motores Nema 17 son una combinación perfecta. Es un ladrillo LEGO por defecto de 4 por 2 pernos prisioneros 32 x 16 x 9,6 mm. Nema motores tienen agujeros de m3 a una distancia de 31 mm. asociar la Nema 17 paso a paso con técnica LEGO, usando un regulador de tiro/aislador de fieltro y m3 x 15 pernos, da una base sólida (imagen 4). Consulte esta Guía de dimensión de Lego para el más lego matemáticas.
Este es mi primer instrucable y no será una guía para la creación de esta impresora exacta. Le doy suficientes detalles para crear tal impresora. Toda la información utilizada para construir esta impresora viene de internet.
ADVERTENCIA: esta impresora no es un juguete. No deje la impresora durante la impresión. La temperatura de la cama de calor puede llegar a 110 grados centígrados. Y la temperatura de la cabeza de impresora comienza con 170 grados celcius.