Paso 5: Módem a módem cableado.



Cómo conectar dos módems directamente juntos. Puede hacerlo con una simple batería o utilizar una wallwart fuente de alimentación. Todas las partes deben ser fácilmente disponibles de la mayoría de tiendas de electrónica real.
Nota: Si no está seguro acerca de las conexiones, para obtener un profesional de ayuda. No será responsable de cualquier problema.
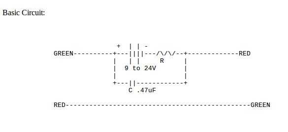
Tenga en cuenta que el valor de la resistencia depende de la tensión de corriente utilizada. Para 24V alrededor de 1K ohmios máximo dará a más 24mA (12V a 500 ohmios, 9V @ 380 Ohms); la resistencia del circuito del módem esto reducirá un poco (puede que necesite reducir el valor de la resistencia, pero si trabaja con los valores mencionados, dejarlo en eso; Estoy usando 380 Ohms con una entrada de voltaje de 14V). La compañía telefónica garantiza sobre 20mA mínima en una línea de teléfono real y nosotros queremos ser sobre el mismo mínimo. Tenga en cuenta también que la batería que se muestra puede ser sustituida por una fuente de alimentación de la "fuente"; la mayoría de estos son no regulada (mi "9V @ 130mA" enchufe CC da sobre 14V en este circuito cuando se conecta a del telepone para probar) y en consecuencia se necesita un condensador electrolítico de unos 2200 uF a través de la alimentación + - terminales y reducir la tensión de "onda" (es decir, AC "ruido"); Asegúrese de hacer coincidir la polaridad del electrolítico a la polaridad de la fuente de alimentación.













