


Circuitos comparador son muy útiles cuando se necesita una representación visual de un nivel de voltaje de ajuste. Mi aplicación más común es un indicador de volumen en una fuente de audio. La salida puede ser demostrado a través de unos LED y dar al usuario un rápido y fácil de entender la representación del volumen
Cuando utilice el amplificador operacional, si se aplica un voltaje a la clavija de entrada negativa y sin bucle de realimentación (la salida no está conectada a la entrada), la salida sólo ir alta cuando la clavija de entrada positiva tiene un voltaje mayor que la clavija de entrada negativa.
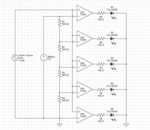
Podemos utilizar un árbol de tensión para crear voltajes de entrada de pin negativo.
Ejemplo: Tenemos un árbol creado con + 9 voltios en la parte superior y la tierra en la parte inferior
utilizando resistencias de 4 x 100 ohm en serie a lo largo del árbol se obtienen las siguientes tensiones de toque de un "árbol":
9 V, 6.75V, 4.5V, 2.25V y 0V
(ver más detalle en los árboles de la tensión en mi otro tutorial:
Cada una de esas podemos hacer una entrada a una entrada negativa de un amplificador operacional (5 amp op total). Luego conectamos la salida de nuestro dispositivo de audio para todas las entradas positivas de los amplificadores op.
Finalmente Conecte un resistor simple y LED de la salida de cada amplificador operacional a tierra.
Ahora lo que sucederá es como la salida de las subidas de dispositivo de audio (simulado aquí como una función del generador + 9 V pecado de onda) y sobre cada uno de los voltajes de toque del árbol, amp op ir alta y enciende el LED en la salida. Poner los LED en una fila mostrará que encenderá en orden como el audio es más fuerte.
Y eso es una forma sencilla de utilizar amplificadores operacionales como comparadores para la representación visual de una salida. Esto fue sólo un ejemplo, pero puede usar casi en cualquier Op-amps. Esto se puede replicar para cualquier voltaje-grifos que desea a lo largo del árbol y cualquier voltaje max o min.
Tengo imágenes de un ejemplo donde he implementado en un dispositivo de audio. Los valores de voltaje son diferentes, pero es la misma técnica exacta. Como la música suena más fuerte, se enciende el LED en la parte de la Junta de cada.