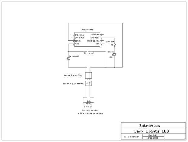
LED de luces oscuro

un led luces no sólo cuando la energía se aplica, pero también genera una pequeña tensión cuando se aplica luz. Un microcontrolador PICAXE se puede utilizar para controlar este voltaje. Voy a mostrar cómo hacer una vela electrónica que parpadeará un led cuando se pone oscuro.

Etiquetas: LED, Picaxe

Artículos Relacionados

Cómo instalar LED bajo luces de Charco espejo lateral

Cómo instalar LED bajo luces de Charco espejo lateral

Una actualización poco aseada que conductores no siempre tienen en mente es una nueva luz de Charco de espejo lateral. Estas luces iluminan el suelo por debajo de su coche con un resplandor agradable para invertir en un sistema de Luces de Charco de
Como extracto de LED de luces de Navidad LED

Como extracto de LED de luces de Navidad LED

este Instructable cubrirá la extracción de LED de luces de Navidad LED moldeadasPaso 1: Elementos necesarios. Se necesitan los siguientes elementos:* Filamento de luz de led* AlicatesPaso 2: Compra LED luz set. Compre un juego de Navidad LED luces. H
LED bajo luces del gabinete o porche!

LED bajo luces del gabinete o porche!

Perdona por favor mis más severo y ortografía, Inglés es mi lengua materna.Por mucho tiempo que tengo quested para LEDs con tensión principal de CA, sin la chispa y quema. Este es mi primer instructable para mostrar mi búsqueda fácil iluminación LED
Auto Reno Hack! Ilumina con LEDs y luces de bici

Auto Reno Hack! Ilumina con LEDs y luces de bici

Convertir tu coche en un reno de dos tonelada y deleite tanto niños como adultos! Haga clic en el video para verlo en acción!Mi hijo quería una nariz y cuernos que le brillan así que aquí está nuestro hack para un coche de Reno que brilla intensament
Cómo instalar LED Interior luces para un BMW E60 serie 5

Cómo instalar LED Interior luces para un BMW E60 serie 5

el E60 serie 5 es un coche ejecutivo mediano creado por BMW; este sexto modelo de la generación es el segundo vehículo más vendido del marcas detrás de la serie 3. Como vehículos de lujo más medianas, hay un amplio espacio para los pasajeros dentro d
Cómo instalar bajo la tira del LED mostrador luces con dimmer

Cómo instalar bajo la tira del LED mostrador luces con dimmer

Una pregunta común para aquellos que son nuevos a los LEDs es "Cómo instalar luces de tira de LED bajo mostradores y gabinetes". El proceso es fácil y tiene un conjunto similar de pasos en ambos casos. Incluso si no tienes conocimientos avanzado
Solar de carga los LED crece luces

Solar de carga los LED crece luces

nuevo diseño; La plataforma de la plantanuevo diseño; El brazo de la plantaHola a todos!en mi última instructable he compartido con usted cómo armar un brazo de planta simple; que funciona con pilas. Tengo un cargador pero que significa pagar por la
Luz de noche LED (Sensor de oscuro)

Luz de noche LED (Sensor de oscuro)

Muchos niños tienen miedos de la oscuridad. Fui uno de ellos. Para que los niños a dormirse más fácilmente uno puede instalar luz de la llamada noche de enchufe. Los que tienen la desventaja de la serie: debe quitar luz de noche si desea usar ese enc
Luces led Ikea--luces de Ikea

Luces led Ikea--luces de Ikea

ItalianoAdeguare le luci un led ikea economiche da € 9,90 por farle diventare delle luci di cortesia por ripostiglio si accendono con l'apertura delle porte.InglésCambiar el LED luces ikea barato a 9,90 €, para que sean luz armario cortesía que con l
El LED crece luces - FertiLight Halo anillos (tomatera)

El LED crece luces - FertiLight Halo anillos (tomatera)

DIY por: Michael GoodmanHola todos!!!!Por favor revise mi video tutorial sobre luces leds de crecer. He visto resultados asombrosos con este conjunto para arriba y encantaría cualquier información proporcionada por todo el mundo.Lo que me gusta de es
PiFace LED persiguiendo luces frambuesa Pi

PiFace LED persiguiendo luces frambuesa Pi

este instructable le permitirá utilizar su PiFace para controlar 8 LEDs en un patrón intermitente persecución. Esto le ayudará a familiarizarse con el uso básico de python para el control de la PiFace así como una electrónica básica, estoy escribiend
Hacer sus teclado leds en luces de discoteca!

Hacer sus teclado leds en luces de discoteca!

Usted puede convertir su teclado simple en discolights!PruébaloPaso 1: Primero copia este código en un archivo de Bloc de notasSet wshShell = wscript. CreateObject("WScript.Shell")bucle de do wscript.sleep 100 wshshell.sendkeys "{Bloq Mayús
Árbol de LED luces de

Árbol de LED luces de

En este proyecto nos cable mini LEDs como luces de árbol. Enciende cuando su oscuro y todos también parpadea cuando se pulsa el botón.Paso 1: conectarPaso 2: alambre Primer alambre botón 2 o el botón amarilloA continuación vas a conectar el resto de
Cómo instalar resistencias de carga para luces LED intermitentes

Cómo instalar resistencias de carga para luces LED intermitentes

¿Por qué son instalar resistencias de carga necesario para el LED enciende luces de señal? Si no instale resistores reguladores de carga (también conocido como ecualizadores) con bombillas de intermitentes de LED, usted experimentará el tema flash hy