Paso 3: Diseñar y construir el circuito


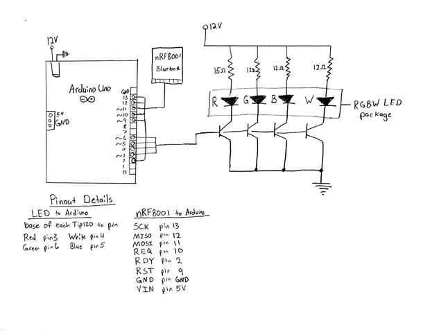
Adafruit (la compañía que fabrica el chip Bluetooth utilizamos) proporciona código fuente y un pinout recomendada. Básicamente hicimos todas las conexiones según este pinout proporcionado, cuyos detalles están disponibles en el esquema de siempre.
Cómo desea configurar su circuito es una cuestión de preferencia, pero la base del circuito es como sigue. Los tres módulos principales aquí son la arduino, el chip de bluetooth y el LED. El paquete de RGBW LED que viene con la base del disipador de calor (ver sección materiales). Proporcionan 12 voltios a cada LED en el paquete junto con un resistor de la energía. Después el paquete de LED, la corriente de cada LED va en el colector de un transistor Darlington TIP120. Los emisores de los transistores se basan entonces. Los Darlingtons actúan como interruptores para que cuando ellos son (arduino), puede fluir corriente y el LED se enciende. Cuando el Darlington está apagado, la corriente no puede fluir y el LED está apagado. Usando modulación de anchura de pulso (PWM) de los pernos en el arduino, podemos controlar el tiempo promedio de la intensidad de cada LED, con eficacia cambiando el color de la lámpara.
Los detalles de las conexiones entre el LED y el arduino son arbitrarios y dependen de como se escribe el código. Proporcionamos el pinout que trabaja con nuestro sketch.
El chip nRF8001 de bluetooth se conecta con el arduino, así y los detalles de estas conexiones se proporcionan en el diagrama del circuito. También debemos notar que donde dice 12 voltios en el diagrama, esto es proporcionado por una fuente común de energía proporcionado por un adaptador de pared alimenta la lámpara entera.