

Es realmente un "grabador", pero este proyecto le permitirá hacer sonidos como una flauta, grabadora o espacio incluso extraños ruidos. Los niños les encanta este proyecto!
Le daremos vuelta una grabadora de $1,00 en un instrumento eléctrico con sensor de "soplar" aliento!
Una plataforma de hélice ejecutando algún código de sintetizador proporciona el sonido para este divertido instrumento.
Usted tendrá una opción de convertir el instrumento a ser características del sintetizador electrónico o agregando el actual instrumento.
Aquí es lo que necesitará
* Una plataforma de hélice (gángster del Gadget)
* Un Módulo de Protoplus (gángster del Gadget)
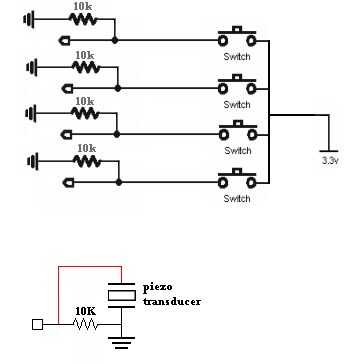
* Cinco resistores de 10K (Radio Shack)
* Cuatro interruptores de tacto (Radio Shack)
* Un transductor piezoeléctrico (Radio Shack)
* Algunos cables (Radio Shack)
* Una grabadora de juguete (tienda de descuento Local)
* Un cautín y pistola de pegamento caliente
Vamos a crear dos circuitos diferentes por nuestro instrumento. (Foto 2)
El circuito de interruptor para nuestros cuatro interruptores "dedo del tacto" y un circuito de piezo para nuestro sensor de "golpe" de la respiración.