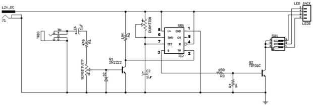
Kit de luces para arriba del tambor (3 / 8 paso)

Paso 3: Crear el circuito

Comencé a diseñar mi circuito en un protoboard. Si usted siente a confidente, puede ir directamente a soldar las piezas juntas. Usted puede encontrar un vídeo del circuito en el protoboard aquí.

Artículos Relacionados

¿Hacen un fotón flor que luces para arriba cuando usted agua con zumo de limón

¿Hacen un fotón flor que luces para arriba cuando usted agua con zumo de limón

han hecho una batería de limón? Si meter un alambre de cobre en un limón y meter un clavo galvanizado en junto a él, se puede medir con un voltímetro que el limón produce entre 0,5 y 1 voltios. El cobre es el "cátodo" o polo positivo de la bater
Boeing 737NG luces arriba del panel para FSX

Boeing 737NG luces arriba del panel para FSX

He decidido empezar este proyecto para mi hijo 18yo, adicto a volar y los aviones (ok, me influido lo un poco...). Conoce mi pasión por la electrónica y Arduino, así que me pidió crear un panel de Boeing 737 para su MS Flight Simulator X, su primera
Encienda para arriba la tarjeta de felicitación del horizonte

Encienda para arriba la tarjeta de felicitación del horizonte

Crear una tarjeta de felicitación de centelleo luminoso horizonte.Paso 1: Materiales necesarioscartulina blanca 1/2 hojacartulina 1/4 hoja negroCinta conductiva de cobrePegatinas de LED (mostrado en este proyecto son Chibitronics)Broche aprietapapel
Muñeco de nieve DIY | Dejar ventanas del coche al vapor para arriba

Muñeco de nieve DIY | Dejar ventanas del coche al vapor para arriba

Te muestro cómo hacer un muñeco de nieve con un calcetín, dejan ventanas de coche del vapor para arriba y baja la humedad interior.Se pueden hacer a alguien que le gusta, sus útiles, Niza y libre de regalo. DPaso 1: Tome un calcetín y corte como este
Cuelgue para arriba la barra del armario

Cuelgue para arriba la barra del armario

reforzar una barra del armario para que sea lo suficientemente fuerte para manejar toda su ropa de colgar. Los soportes de fin de grado Builder sólo no sostienen un armario relleno vale de ropa. Cuando se construyó la casa, el constructor utiliza un
Niño aplaste del puré-para arriba T

Niño aplaste del puré-para arriba T

estoy desempleado esta Navidad. Así, el centro comercial es hacia fuera. ¿Compras en línea? Hacia fuera.Siempre he querido hacer una camiseta del puré-para arriba así que esto me dio motivación perfecta. ¿Y regalos de Navidad hechos en casa? No se pu
Vuelva a encender para arriba Insturment Musical: Sonajero tambor

Vuelva a encender para arriba Insturment Musical: Sonajero tambor

Decidí hacer el instrumento musical es confundir tambor. Elegí esta porque es fácil de hacer ypuede utilizar materiales reciclados para hacerlo. Tambor Sonajero es diseño simple que decorado más extensivamente.Paso 1: Lista de materiales1) cualquier
Enciende para arriba el accesorio del bolso

Enciende para arriba el accesorio del bolso

Esta es una luz para arriba bolsa de accesorios en el cual puede ser separada y movida de un producto a otro. Su principal propósito es ser una fuente de luz para productos tales como bolsos y carteras, sin embargo también tiene la función estética d
Las aspas del ventilador se vuelva a encender para arriba el techo

Las aspas del ventilador se vuelva a encender para arriba el techo

Convierte viejas aspas de ventilador de techo en un caprichoso larga orejas conejo de Pascua!Paso 1: Aspas del ventilador vuelva a encender para arriba el techoDespués de quitar el hardware de las cuchillas y limpiarlas, esponja pintado ellos con de
Vuelva a enrollar el Kit del tambor

Vuelva a enrollar el Kit del tambor

esto es una gran manera de cambiar el aspecto de su batería que es golpeado para arriba durante los años de menores $30Paso 1: Las cosas que necesitará: Esto es una tarea muy tediosa, pero se ve muy bien al final y todo usado con estantería de papel
El reloj de palabra creció para arriba!

El reloj de palabra creció para arriba!

Bien, ha tenido que pasar.Publicado por primera vez mi proyecto de WordClock en septiembre de 2009. Era un reloj de Microchip PIC basado, usando un microprocesador PIC16F877A. En el último año y medio, han sido la mejora constante y he adaptado a Ard
Desgaste del tambor: tambores en su ropa!

Desgaste del tambor: tambores en su ropa!

Mirar los pilotos de cualquier autobús de la ciudad. Muchos de ellos están conectados en sus reproductores de música, golpeando a lo largo de al compás, fingiendo que tienen batería a su disposición. Ahora no hay necesidad de fingir! Desgaste del tam
Kit - principiante Solar Powered + LED del cohete

Kit - principiante Solar Powered + LED del cohete

Este instructable es para un Kit de cohete accionado solar. Mide aproximadamente de 2" por 1", incluyendo la ficha USB. Tiene un agujero por la parte superior de la Junta, facilitando la suspensión. Se muestra como un collar, pero usted podría h
DIY encienda para arriba el bombo

DIY encienda para arriba el bombo

Una cosa que siempre he estado interesado en es la correlación de luces y sonido. He hecho enciende altavoces y algunas otras cosas interesantes, pero decidí que quería hacer algo un poco diferente. Ya que soy un baterista, pensé, "¿por qué no hacerl