¿Jugar con las neuronas brillantes? Un marco novedoso para la simulación interactiva de la neurona en hardware. (8 / 11 paso)

Paso 8: Diseño de circuito

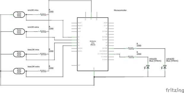
El trazado de circuito se muestra en la figura 11.

Leer en el código de Arduino.

Artículos Relacionados

Bebé ducha invitación con Laser corte papel envolvente/marco

Bebé ducha invitación con Laser corte papel envolvente/marco

Trabajo con un cortador láser hace proyectos de delicado papel, muy fácil!Para baby shower de un miembro de la familia quise crear una invitación única y decidió ir con un giro en el estilo del siglo para el tema. Las tarjetas resultantes fueron eran
Jugar con cuchillos - mantenga entretenido en un restaurante para niños

Jugar con cuchillos - mantenga entretenido en un restaurante para niños

B.O.R.E.D y hambrientos.Restaurante con 4 niños!El Gerente sale que están respaldados y serán pronto.. .lo que quiere decir es serán otros 30 minutos.Así que aquí está la parte donde empezamos a jugar con cuchillos.Por favor... son cuchillos de mante
Cómo hacerlo de un tirón Vitrigraph - o - cómo jugar con vidrio fundido

Cómo hacerlo de un tirón Vitrigraph - o - cómo jugar con vidrio fundido

en este Instructable, les mostraré cómo configurar un Vitrigraph (Vitri = vidrio, grafo = escribir, escribir con el vidrio). Esta técnica es una divertida manera de manipular el vidrio que no usa un soplete o un crisol para fundirlo. Los resultados s
PVC embrujada túnel con Laser Vortex

PVC embrujada túnel con Laser Vortex

Este instructable muestra cómo construir un túnel de vórtice láser aterradora para su jardín de Halloween o camino refugio. Se trata de una impresionante adición a cualquier lugar. Clientes haunted trail (que no eran demasiado miedos de ir a través d
Chicos: Cómo lidiar con las niñas en internet.

Chicos: Cómo lidiar con las niñas en internet.

Después de que un miembro aquí se quejaron de ataques y espíritu decir chistes sobre el hecho de que ella era una chica en este sitio pensé que esto podría ser una buena idea... El hilo original.Así que aquí va, una guía para tratar con las mujeres e
Algoritmos con las torres de Hanoi de aprendizaje

Algoritmos con las torres de Hanoi de aprendizaje

En este tutorial vamos a crear un Kit educativo de la Torres de HanoiLa torre de Hanoi es un rompecabezas matemático que consiste de tres torre y anillos de más de uno:Estos anillos son de diferentes tamaños y apilan sobre ascendente es decir, el más
Mediante fusión a hacer esculturas de colaboración con las abejas

Mediante fusión a hacer esculturas de colaboración con las abejas

Para esta serie de esculturas de colaboración, que quería hacer un marco orgánico que mis abejas podrían construir peine. Ya que el peine es pesado lleno de miel y muy frágil cuando se toman de la colmena, decidieron que necesitaba construir una estr
Colaborar con las abejas: cajas de luz del peine de la miel

Colaborar con las abejas: cajas de luz del peine de la miel

Lista de materialesColmenaAbejasPeine de natural3/4 de pulgada rough molido madera de cerezo, en este casoMadera, madera contrachapadaplaca de aluminio 1/8Boos aceite bloqueInsertos roscadosTornillosTiras de LED, caliente 600 blancoConectores LEDEner
Ayudando a las manos y habilidad con las herramientas

Ayudando a las manos y habilidad con las herramientas

solo recogí las últimas manos ayudando a básicamente porque tenía una buena lupa claro más grande. Mi viejo Helping Hands tenía lupas inútiles poco aburridos. Quería que la lupa en el nudillo del centro. Aquí es donde la experiencia con las herramien
Tinkertrons: Hacer las neuronas artificiales para Robots

Tinkertrons: Hacer las neuronas artificiales para Robots

Tinkertrons son un intento de hacer un cruce entre un circuito y un tablero de pan--una especie de circuito universal. Estos circuitos listo están diseñados para ser fácilmente montado y entretela como juguetes tinker. Están diseñados para ser fácile
Experimentar con las piezas pequeñas en una impresora 3D

Experimentar con las piezas pequeñas en una impresora 3D

se trata de un "vivir INSTRUCTABLE" sobre un nuevo descubrimiento.CRECER, MADURAR Y MEJORAR ESPECTACULARMENTE CON EL TIEMPO.    COMO SE GANA EXPERIENCIA Y CONOCIMIENTO, ACTUALIZARÉ MIS RESULTADOS AQUÍ EN PRIMER LUGAR, PROPORCIONAR UNA MANERA CON
KVG ballesta, con las flechas reales!

KVG ballesta, con las flechas reales!

Por favor ser un poco fácil en mí, este es mi primer Instructable.Aquí voy a mostrarte cómo hacer una ballesta de K'nex que dispara flechas reales! Esta ballesta es lo suficientemente fuerte como para disparar flechas 50 pies! Puede sostener de su ho
Escultura de Metal de Navidad "Chris-alces del" con la nariz brillante

Escultura de Metal de Navidad "Chris-alces del" con la nariz brillante

este Instructable le mostrará cómo hacer un metal alces escultura. Este fue construido como un regalo de Navidad para mi esposa, que ha amado alces ya que nuestro hijo más joven dijo que quería ser un alce cuando él creció para arriba. Hemos llamado
Cómo hacer un marco MDF para los azulejos de The home depot con un láser

Cómo hacer un marco MDF para los azulejos de The home depot con un láser

este Instructable muestra cómo hacer un marco de rápidos y barato para mostrar 3 3 "x 6" baldosas cerámicas usando MDF de 1/4". El diseño fue creado para obtener los fotogramas más de una hoja de MDF de 18 "x 24". Consiste en una