Paso 6: implementación


Finalmente aprenderá a construir!
Las descripciones dadas aquí son para una implementación de hardware para los dos tipos de iones, pero el concepto queda igual para más tipos de iones. Primero debe decidir si desea ir para una implementación de electrónica analógica o digital. Me decidí por una implementación basado en Arduino desde este enfoque es más flexible, por lo tanto solamente poco discutir un concepto con el que se puede implementar el EEPA un circuito análogo.
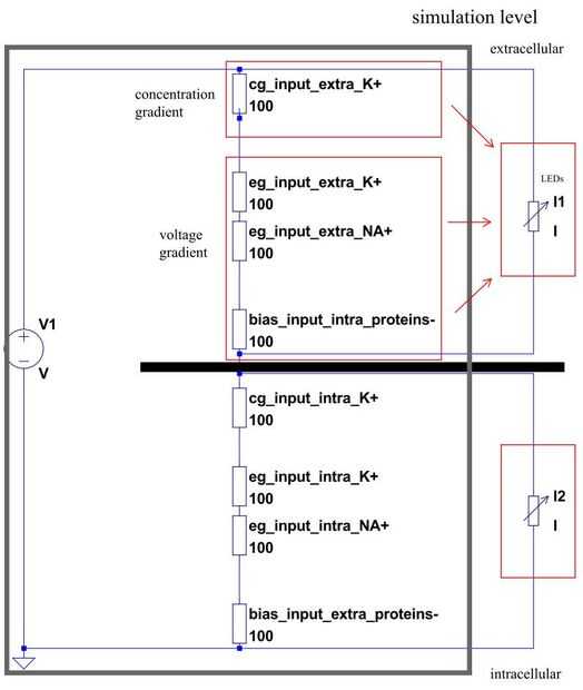
Echar un vistazo a la figura 9 para la aplicación analógica. La figura muestra un bloque de edificio independiente para la simulación de un tipo de ion. Un circuito divisor de tensión indica la salida a los LEDs dentro y fuera de la neurona. El divisor se hace de la LDRs que la entrada de la luz del otro lado de la neurona. Por ejemplo, el gradiente de la concentración de K + es el modelo por el LDR superior que recibe la entrada de K + luz interior de la neurona. Recuerde que el gradiente de concentración empuja los iones a una distribución 50: 50, por lo que si sintoniza correctamente la salida de LED conduce a la misma cantidad de luz fuera de la neurona que recibe entrada desde el interior. El gradiente de tensión se implementa de forma similar, sólo que los otros cargos deben tenerse en cuenta también. La salida a los LEDs de un tipo de ion es el resultado de las LDRs diferentes en un sitio del divisor de tensión. Debo decir que, aunque yo prefiero el método analógico, el templar fino del circuito sería un desafío.
El concepto de puesta en práctica digitalse muestra en la figura 10. Para cada tipo de ion, podría hacerse un bloque de edificio (es decir, un MC controlado circuito para cada uno) para que puede agregar más y más bloques de construcción para su simulación, como jugar con LEGO. Utilizando un Arduino para más tipos de iones es fina y más eficiente. Cada Arduino recibe aportes de las LDRs de ambos sitios y calcula la salida del LED basada en la concentración y el gradiente de voltaje.
Leer en la lista de materiales.