Paso 4: Completar el circuito






El circuito es bastante simple, pero que puede ser confuso cuando soldar en el tablero.
Primero de lata todas las teclas en el tablero, esto evitará el cobre de deterioro y le da un aspecto agradable, luego el cable positivo del toroide de la soldadura en la almohadilla positiva en la parte inferior, se conectarán los dos cables
indistintamente a los pads en la derecha y la izquierda.
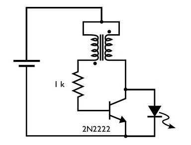
Conectar un extremo de una resistencia k 2.2 a la plataforma a la izquierda y el otro extremo a la «base» almohadilla justo por encima de él. Usted puede elegir el brillo con esta resistencia. Después de terminar el circuito, si la corriente va es superior a 30 mA puede aumentar el valor de la resistencia para reducirlo.
Para conectar el transistor conectar el colector a la almohadilla superior derecha, el emisor a la almohadilla superior izquierda (el botón negativo) y la base a la «base» almohadilla justo debajo de él.
Finalmente de soldadura un LED SMD de una bombilla de LED entre el colector (positivo) y las pastillas de "emisor" (negativo). Puede soldar cualquier tipo de LED.
Una vez finalizado el circuito utilizar acetona y un q-Tip para eliminar la mayor parte del flujo que estaba en el tablero, usar epoxi para sujetar a un soporte de la batería AA, utilizo el resto epoxi para sellar el toroide y sus cables, que pueden dañarse fácilmente.
Al terminarlo que suelde el cable positivo desde el soporte al pad positivo en la parte inferior y el cable negativo al negativo pad, conectado el emisor y el botón negativo del LED.
Importante: He utilizado un transistor de P2N2222A, no un 2N2222A o un PN2222A, esto significa que el colector y emisor se intercambian, compruebe el pinout de su transistor antes de soldarlo.