Paso 2: Montaje y pruebas

Elaborado según el esquema.
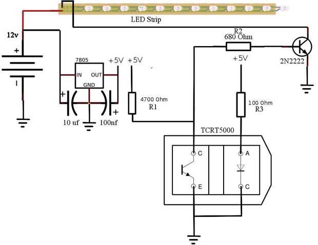
Comenzar con la alimentación y el voltaje regulador de potencia, prueba para asegurarte de que tienes derecho y tienen una salida de 5V
Montar el TCRT5000 a continuación, probar para ver que tienes una salida de algún voltaje (unos 1.2V) entre el resistor R1 (4700 ohmios) y el colector de la TCRT5000. Si cae significativamente cuando la luz IR se refleja en el sensor.
Montar el Transistor conecta el emisor a tierra y el colector al - ve de la tira LED. Conecta + 12V a la + ve de la tira LED.
Cuando el TCRT5000 está "abierta" la tira de LED deberá encenderse. Poner una superficie plana (idealmente reflejante) cerca de la TCRT5000 y debe apagarse.













