Paso 3: controlador

Wow. Es un gran esquema. Bien, se puede leer un inversor simple, de baja potencia. Si desea que el gran poder necesita un conductor competente. Este controlador se bloqueará en la frecuencia de resonancia por sí mismo. Como se derrite el metal permanecerá bloqueado en la frecuencia correcta sin necesidad de ningún ajuste.
Si alguna vez han construido un calentador de inducción simple con un chip PLL probablemente Recuerde sintonizar la frecuencia que el metal se calienta. Ves la forma de onda mover en el osciloscopio. Van cambiando la frecuencia de sincronización para mantener ese punto perfecto. No hay necesidad de hacerlo ya.
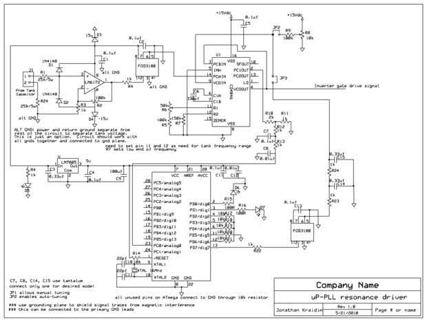
Este circuito utiliza un microprocesador de Arduino (arriba) para seguir la diferencia de fase entre el voltaje del inversor y el condensador del tanque. Mediante esta fase calcula el la frecuencia correcta usando un algoritmo de C.
Lo guiará a través del circuito:
La señal del condensador de tanque viene la izquierda a LM6172. Se trata de un inversor de alta velocidad que convierte la señal a una onda cuadrada agradable, limpia. Tiene que estar limpio. Esta señal es luego aislado utilizando el aislador óptico, FOD3180. Estos aisladores son la clave! Esta señal es enviada al PLL a través de la entrada de PCAin. Esto se compara con la señal del inversor en PCBin, que conduce el inversor de VCOout. Arduino controla finalmente el reloj PLL usando una señal modulada de ancho de pulso de 1024 bits. El filtro RC de dos etapas convierte la señal PWM en una tensión analógica simple que va VCOin.
¿Cómo sabe lo que debe hacer el Arduino? ¿La magia? ¿Una buena suposición? No. Obtiene la información de diferencia de fase sobre PCA y PCB de PC1out. R10 y R11 limitan la tensión de voltaje de 5 para el Arduino y el filtro RC de dos etapas limpia la señal de cualquier ruido. Queremos señales nalgadas limpias porque no queremos pagar más dinero para mosfets caros después de saltar de entradas ruidosas.