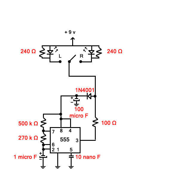
Indicadores de bicicletas bricolaje batería de larga vida (3 / 5 paso)

Paso 3: Unirlo

Soldar todo junto en la Junta de soldadura.

Si utiliza LED listo para su uso, tienes que superar la resistencia en la cubierta de LED.

Artículos Relacionados

Rodillos bicicleta bricolaje

Rodillos bicicleta bricolaje

es mi creencia personal que muchas personas poseen bicicletas, y que muchas de las personas no están interesados en montar a caballo de placer cuando está lloviendo, nevando, oscuro, etc. y que muchas de las personas serían montar su bicicleta bajo t
Circuito de indicador de estado de batería de 9V

Circuito de indicador de estado de batería de 9V

este es un circuito de indicador de estado de batería de 9v. Uno de mi amigo me pidió que construir esta como quiere un indicador de estado de batería de radio transistor de 9v. Eso es por qué construir este circuito funciona muy bien y otra cosa sob
LinkIt uno - indicador de nivel de batería

LinkIt uno - indicador de nivel de batería

Como la mayoría de ustedes sabe el LinkIt uno es un dispositivo de IoT que puede conectarse a internet por WiFi. Esto hace fácil en cualquier lugar y cualquier dispositivo de control, pero el único nuevo es la batería. En la mayor parte de mi proyect
Li - indicador de nivel de batería de Ion

Li - indicador de nivel de batería de Ion

¿Buscas un circuito simple medir tu celular solo de Ion de litio de carga y descarga de nivel? Aquí es un circuito de chip, encendido de la misma batería de iones de litio que desea medir.Este circuito está diseñado para medir 3.7V recargable nivel d
Cómo probar y un chino (China) la fuente de alimentación del láser de CO2 para obtener larga vida útil de su tubo del Laser del CO2 para sistema de máquina de corte láser y grabado láser

Cómo probar y un chino (China) la fuente de alimentación del láser de CO2 para obtener larga vida útil de su tubo del Laser del CO2 para sistema de máquina de corte láser y grabado láser

ser seguro cuando se realiza este proyecto.LA SEGURIDAD ES MÁS IMPORTANTE.  SI LO HACES MAL ENTONCES USTED PUEDE SER ELECTROCUTADO.  LA COMBINACIÓN DE ALTO VOLTAJE Y CORRIENTE PUEDE SER LETAL.  SIGA LAS INSTRUCCIONES SIGUIENTES. DESVIARSE DE LAS INST
LEDtronics ahorro de energía, productos de iluminación LED de estado sólido de larga vida

LEDtronics ahorro de energía, productos de iluminación LED de estado sólido de larga vida

LEDtronics ahorro de energía, productos de iluminación LED de estado sólido de larga vidaBombillas de luz LED y productos de iluminación LED son una herramienta principal para los arquitectos a los últimos estándares y abrazar la ética verde que ahor
La señal de vuelta bicicleta bricolaje

La señal de vuelta bicicleta bricolaje

Muchos de nosotros usamos bicicletas para ir al trabajo y el ocio, y muchos de nosotros sufren largos y oscuros inviernos así! Si es el caso, probablemente tienes un par de brillante frente y luces traseras, que te manchas mucho más fácil para los co
Señales de la vuelta de bicicleta bricolaje

Señales de la vuelta de bicicleta bricolaje

Vivir en una ciudad, uso mi moto como medio de tránsito, conducción de casa al trabajo, trabajo estudio, recados, etc.. Cuando paseo por la noche, me preocupa a menudo si otros vehículos/personas en el camino puede ver mis señales de mano cuando esto
BICICLETA bricolaje taladro

BICICLETA bricolaje taladro

esto es una moto de taladro. Es muy simple y fácil de hacer. Cualquier persona puede hacerlo. Pueden conseguir lugares sin pedalear incluso. No es ruidoso y puede ir bastante rápido. Se trata de cómo puedes hacerlo.Paso 1: herramientas Estas son las
Vuelven dos botellas de plástico y un gancho de guardabarros de bicicleta bricolaje mejor del mundo!

Vuelven dos botellas de plástico y un gancho de guardabarros de bicicleta bricolaje mejor del mundo!

El más sofisticado, durable, eficiente, sencillo, discreto, confiable, único, sin sonido (no batir), claro, respetuoso, buena buscando bicicleta las defensas en el mundo. Y son gratis :)¿Que estoy exagerando? ¡ A ver!ACTUALIZACIÓN: Después de seis me
Bicicleta bricolaje tubo cartera

Bicicleta bricolaje tubo cartera

En este instrucable le mostrará cómo hacer una billetera de una llanta de bicicleta. Basado el diseño de una billetera de cinta de conducto que hice hace un tiempo. Espero que esto funcione para usted!Necesitarás:-Bicicleta llanta (solo necesitas una
Enderezar la paleta de tenis de mesa combada (bate, raqueta, raqueta) con una prensa de bricolaje bat

Enderezar la paleta de tenis de mesa combada (bate, raqueta, raqueta) con una prensa de bricolaje bat

eres un mago de ping-pong Hard-Core.  Aplique abundante giros a cada disparo.  Personas están impresionadas con la gravedad de su respeto por el deporte tenis de mesa.A continuación os dejamos la pala en el maletero de su coche.  La goma una vez suav
Indicador de voltaje de batería de Arduino

Indicador de voltaje de batería de Arduino

Cuando estamos utilizando una batería había accionado Arduino como robots RC o regulador de temperatura, podríamos queremos verificar el voltaje de la batería si tiene que ser cargada o reemplazado. Que me pasa con mi RC Panzer. A veces cuando mis hi
Bicicleta bricolaje U-Lock

Bicicleta bricolaje U-Lock

Con todas mis pertenencias terrenales en la parte trasera de un antiguo 1992 Ford Ranger, clunked y rebotó a lo largo de las 689 millas entre San Diego, CA y Provo, UT. Después de casi 10 horas de conducción, tiré de la autopista y en una ciudad de c