Paso 4: La soldadura de la Junta de Proto


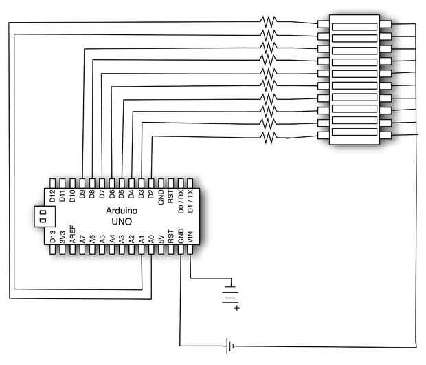
Utilice clavijas 2-9 para los primeros 8 LEDS y pins 14,15 para los dos últimos. Pines 10 al 13 se utilizan para el shield ethernet y por lo tanto están fuera de sus límites.
Tienes que usar resistencias de limitación actuales entre las patas y el gráfico de barras, 470Ω trabajo muy bien.
Fije el lado negativo del LED a tierra. El espacio en la parte inferior izquierda de la pantalla de proto funciona muy bien.
Los tres carteles juntos.













