Paso 5: Patadas de mecanismo y circuito del convertidor Boost



Usé el circuito del convertidor boost para patadas nos pueden también usar actuadores etc. vea la figura para parte delantera solenoid.the de la voluntad de barra de aluminio y la parte posterior de iron.the longitud de barra es 8 cm.you puede modificar el bosquejo aquí es sólo el concepto de solenoide. voy a explicar el proyecto del convertidor boost todo en otro capaz de instruir.
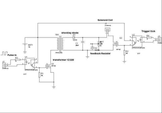
Ver el diagrama del circuito del convertidor. Este me dio mi amigo con las siguientes instrucciones y explicación.
Circuito de incremento de la Base de transformador
PRECAUCION: Alto voltaje DC maneje con cuidado y no trabajar solo. Este es el sencillo circuito de impulso posible, operan a baja frecuencia (< 500hz) este circuito hecho con componentes regulares disponible en el mercado. esa es una razón que no voy para el cual necesita especial tipo transformador mosfet y diodos que no está fácilmente disponible en el mercado de alta frecuencia.
componentes:
2 X irf740
1 pequeño transformador 12:220
resistencia variable de 1 k 200
1 Diodo zener 5,1 voltios
1 diodo de shockley su 307
1 condensador 200uF o mayor
2 resistencia de 10K
3 terminal de 2 pines
2 1 resistencia k
En este circuito se conecta un extremo del lado de baja con batería de 12v y el otro en el desagüe de los mosfet y la puerta del mosfet es aislado mediante optoacoplador 817. J2 es el conector del terminal 2 de donde se aplica la señal PWM y deber debe ser menos del 80% en el otro lado (lado secundario) aquí tenemos diodo shockley (su 307 o mejor de su elección) y un condensador polar 200uF de 400 voltios o usted puede aumentar su capacidad para obtener buenos resultados y asegúrese de que su voltaje debe no exceder de 250 voltios podría aumentar la capacitancia para mejor tiro la resistencia posterior alimentación es acutally una olla de 200k y el Diodo zener de 5,1 voltios está conectado a tierra para proteger a regulador de alto voltaje en que este pin está conectado con el canal analógico de regulador o cualquier otro generador de pulso a tensión de salida de rastro. Cuando llega al voltaje del deseo apague PWM en ese momento se completa el impulso conectar solenoide kicker en J1 que es disparador de optoacoplador 817 en el lado derecho pero algo que debe tener que preocuparse por su tiempo de disparo, menos me debe entonces 100ms.