Paso 5: Cableado del L293D

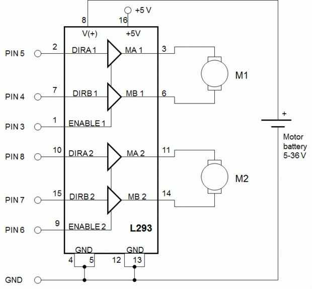
Siga el diagrama cerca dejando las conexiones del motor para el final. Donde dice Pin 5 en el diagrama de conexión, busque el pin marcado D5 en la ArduRF1s y conectarlo al pin número 2 en el L293D. Lo mismo para todas las conexiones que comienzan con "PIN".
Conecte las clavijas de cuatro tierra del L293D a la regleta de la placa que tiene la línea azul a su lado. También Conecte uno de los pines en el ArduRF1s marcado 'Gnd' a la regleta azul.
Conectar el pin 16 del L293D al pin marcado 3, 3V en la ArduRF1s. Esta es la fuente de alimentación de la lógica del L293D y utilizamos los 3.3V regulador de la ArduRF1s a la lógica del L293D.
Ahora mover la placa para el cochecito. Usé cinta de doble cara para fijar los soportes de la batería a la base de acrílico. La cinta de doble cara no se adhieren a la parte inferior de la placa así que usé un trozo de cinta a cinta un extremo de la placa a la base de acrílico del embalaje. La cinta de embalaje es transparente e invisible en las fotografías.