Impresora de un lector de CD (7 / 11 paso)

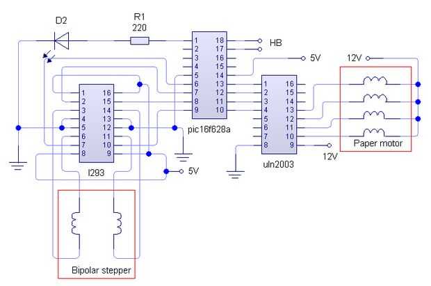
Paso 7: Tablero electrónico

El circuito fue realizado utilizando un perfboard. Los tres interruptores en la imagen son utilizados en el proyecto final

Artículos Relacionados

Utilizar la impresora como un lector de tarjetas.

Utilizar la impresora como un lector de tarjetas.

En esta instuctable, se muestra cómo usar una impresora como un lector de tarjetas de memoria.OK así que vamos a empezar.Paso 1: Lo que usted necesita.Lo que usted necesita:Una impresora con la ranura de la tarjeta de memoria de su elección. (Estoy u
Desarmar un lector de CD/DVD y reutilizar sus partes

Desarmar un lector de CD/DVD y reutilizar sus partes

¡ Hola!Hablando de controladores de CD y DVD, son impresionantes! Encontrará muchos fresco y valioso (para un hobbist) cosas en su interior para usar en tus proyectos. Hay muchas cosas que usted puede hacer con uno o más de estos conductores que uste
Tic Tac Toe máquina

Tic Tac Toe máquina

esto es una máquina simple que tiene el dedo del pie de tic tac. Fue hecho sobre todo forma muerto electrónica, como una impresora y un lector de DVD.Cómo funciona: Primero tenemos que poner nuestra marca, es un cuadrado de cartón negro, luego pulsan
Lithophanes: 3D impresión de tus fotos!

Lithophanes: 3D impresión de tus fotos!

Cada vez que hay un cumpleaños o un evento de cualquier tipo donde tengo que comprar un regalo, siempre enfrentado con el mismo problema... "¿Qué debo obtener él o ella?" y rara vez puedo encontrar una idea que vale la pena mencionar.Desde que m
Cómo abordar los problemas de velocidad con su nueva tarjeta SD

Cómo abordar los problemas de velocidad con su nueva tarjeta SD

Actualización 04/03/2015: Añadida información sobre tarjetas SD capaces de WiFi y sistemas de archivos.Antes pregunto lo que esto podría ser acerca de os contare ;)Nosotros ahora hemos denominados tarjetas SDXC o UHS como también son llamados.Es la p
Impresora matricial de un lector de CD/DVD con Arduino

Impresora matricial de un lector de CD/DVD con Arduino

¡ Hola!Yendo a través de las páginas aquí en Instructables, hace algún tiempo algo atrapa mi atención, una impresora hecha de un lector de CD, y me sorprendió.Pensé: ¡ esto es increíble, tengo que hacer uno!Sé que este tipo de proyectos no siempre re
Cómo elegir, usar y mejorar una impresora 3D

Cómo elegir, usar y mejorar una impresora 3D

Este instructivo contiene una gran cantidad de información que he reunido sobre impresoras 3D y su uso. Parte de esta información sólo es relevante para la I2 de Mendel Prusa, porque sólo tengo un I2 de Mendel Prusa y así sé mucho sobre este tipo de
Impresora casera arduino

Impresora casera arduino

si usted quiere hacer su propia impresora de alta resolución (tal vez no tan altas res), estás en el lugar correcto. Este Instructable le mostrará cómo hacerlo con dos muertos cd/dvd drive y una pluma (piloto, marcador de pizarra, lo que tengas) al m
Compacta impresora CNC/3D

Compacta impresora CNC/3D

Hola amigo que vengo con nuevo proyecto era un compacto CNC/3Dimpresora que fue construido con piezas de desechos.Primero de todo personalmente gracias a Gelstronic que me ayude para obtener soporte técnico.Esta impresora totalmente código abierto y
Impresora 3D UltiFaker²Go

Impresora 3D UltiFaker²Go

Me puse a hacer una impresora 3D hace unos 3 meses. Había estado echando un vistazo diseños como el i3 de Prusa o delta estilo impresora pero yo quería algo un poco más robusto, menos buscar "trabajo hack" y una impresora bastante desafiante par
Impresora 3D biológico B-código

Impresora 3D biológico B-código

Las abejas son las impresoras 3D primera del mundo. Trabajan en un material de sus propios cuerpos, formadas a la temperatura corporal, con un material que es seguro comer y es incluso reciclables y biodegradables.Me lancé a crear un sistema de impre
Cómo configurar el RAMBo de la impresora 3D

Cómo configurar el RAMBo de la impresora 3D

La tarjeta controladora de RAMBo (tablero de RepRap Arduino Mega) para 3Dlas impresoras es una placa electrónica all-in-one para todas sus necesidades de impresión 3D. Es el sucesor del popular escudo de rampas (escudo de Pololu Arduino Mega RepRap)
Impresora 3D del pobre

Impresora 3D del pobre

Mi objetivo era construir una impresora 3D barata y de bajo costo para menos de 100 dólares/euros¿Cuáles son las funciones de impresora 3D del pobre?-Deposición fundida modelado ABS/PLA-Calor cama-uso de firmware de código abierto, versión modificada
Newbie completo paso a paso, la impresora 3D con todas las piezas listas

Newbie completo paso a paso, la impresora 3D con todas las piezas listas

¿Introducción, preludio, o simplemente: que significa esto para?Quería que el título que son baratos, pero permite enfrentarlo: no es barato construir una impresora 3D a menos que tenga algún/la mayoría de los componentes a mano o si usted encuentra