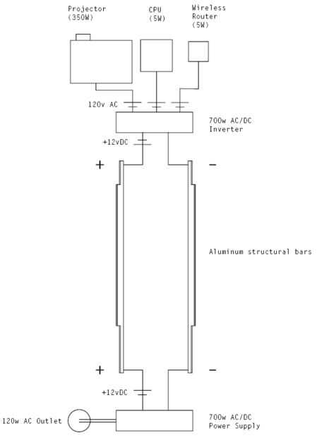
Paso 35: Alimentación de la electrónica




La cosa entera necesita ser alimentado desde un enchufe, y toda la electrónica estaban en la parte superior la escultura de la corona. Necesidad de estas cosas powered:
- 350W LCD proyector: Epson PowerLite 1761w
- ~ Equipo de 5w: NVidia TK1
- ~ 5w Router inalámbrico: TP-Link TL-WR720N OpenWRT wiki
La inspiración para poder enrutamiento a través de las barras de metal fue de una sugerencia de un colega aire, Paolo Salvagione. Él sugirió explora la conversión de la señal a 12v DC y correr por los rieles de soporte de metal. Tuve que aprovechar hilos los hilos en la parte superior e inferior de dos de las barras para poder utilizar conectores molex para conectar a la alimentación en la base y conectar un inversor en la corona.
Para la cadena de la energía que utiliza:
- Genérico de 12v 60a 720w fuente de corriente continua (que se encuentra en eBay)
- salidas de con 2 aire acondicionado inversor 750W (encontrados en Amazon)
- cable aislado calibre 12
- Conectores Molex
Al principio yo desconfiaba realmente de llevar a cabo este método porque no pude evitar pensar que alguien tenga sorprendió al tocar las barras de ambos al mismo tiempo. No fue hasta que físicamente probado y tocado ambas barras al mismo tiempo que confirmó mi cerebro que no te sorprende, y la cosa entera funciona perfectamente. El cuerpo humano es un aislante y no puede completar el circuito mejor que las barras de metal. También, si usted fuera a alguna manera corta el circuito, el fusible de la fuente de alimentación o el inversor estallaría antes te impactante.