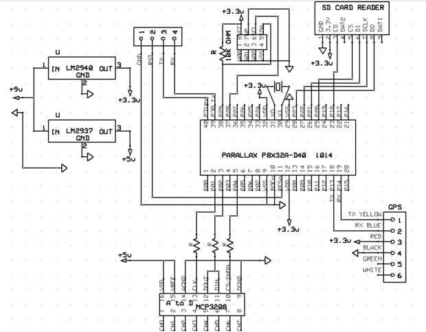
HUD de GPS para moto/motocicleta casco

la idea principal de este proyecto era poder "jack baja" yo mismo y poder ver qué caminos había viajé en la temporada invernal de motos de nieve, luego tomar los datos y colóquela sobre un mapa de google para ver la endecha detallada de las rutas y lo que las ciudades estaban cerca de los senderos que no sabía.  Este es mi primer Instructable y gustaría publicar esto para la parte final de mi proyecto de clase para que pueda graduarse de la Universidad esta primavera.
Etiquetas: Gps, HuD, Micro controlador

Artículos Relacionados

Soporte de GPS para tu moto

Soporte de GPS para tu moto

no pude encontrar un soporte GPS para mi moto que ajuste donde que quería así que solo haría uno. Encontré una montura de succión para mi marca (Garmin GPSMap 60C) en Gander Mountain que es una caza y pesca tienda en mi localidad. El Monte era una ma
Remolque para moto Vespa

Remolque para moto Vespa

disfruto mi Vespa (GTS250ie) mucho, lo uso tanto para el transporte profesional, así como para uso personal.Centro de la ciudad, a menudo se congestiona el tráfico, parking siempre es costoso o problemático y la Vespa es una solución muy eficaz para
Sostenedor del teléfono inteligente iPhone para moto

Sostenedor del teléfono inteligente iPhone para moto

Hola!Necesitaba un gps para mi moto, y no quiero gastar 200€ en un gps + 80€ para el montaje de hardware. Y un soporte para iPhone me costo 50€. Así que decidí construir uno, funcionará para la mayoría de los teléfonos inteligentes como pueda por un
Arandelas de encargo para mi motocicleta

Arandelas de encargo para mi motocicleta

tengo un segundo asiento para mi motocicleta y la parte metálica que se acopla a mi fender mantiene rayar la pintura.Paso 1: Reunir los materiales primero obtener mi soporte que la lavadora para que quepa en la tapa de una botella que es el tamaño ad
Taladro no motocicleta casco MotoGP hidratación Mod

Taladro no motocicleta casco MotoGP hidratación Mod

Hace poco llegué a la conclusión de que necesitaba una solución de hidratación móvil para mis paseos más largos. Comencé por mirar CamelBaks y pensé que podría correr la manguera por debajo de mi casco con un 90 * válvula de mordida. Esto no funciona
Reutilizado de iluminación Solar para una bicicleta casco basura Tech

Reutilizado de iluminación Solar para una bicicleta casco basura Tech

la idea de este instructable fue construir un sistema de iluminación para mi casco de bicicleta que puede cargar con energía solar durante el día en el trabajo, así que puedo usar para mi casa de paseo en bicicleta al anochecer. Usé mi casco bici exi
GPS para Geeks viejo perezoso

GPS para Geeks viejo perezoso

para este Geek viejo perezoso decide que quiere un GPS (Global Positioning System).Investigación, investigación, investigación.Problema: Tan estas unidades walkies y auto son bastante chulas. Tienen todos estos mapas y seguimiento y con frecuencia da
Golf GPS para un hacker

Golf GPS para un hacker

En primer lugar, permítame calificar mi definición de «Hacker». Mientras que personas que leen esto inmediatamente pensará «hacker de la web», «hacker creador», etc., yo soy un "Hacker de Golf –" cuando juego, llego a ver todo el curso y utiliza
Teléfono móvil soporte/montaje para moto/bicicleta-con facilidad auriculares extensión hack, hack de cámara y gps (características adicionales).

Teléfono móvil soporte/montaje para moto/bicicleta-con facilidad auriculares extensión hack, hack de cámara y gps (características adicionales).

Este instructible muestra cómo hacer un soporte de teléfono móvil para tu moto/bicicleta/ciclo (cualquiera sea u llamarlo! jajaja)... las características de la bonificación de este así llamado-'hack' son muchos!!1. cansado de mantener el teléfono en
Wireless Led mochila para moto

Wireless Led mochila para moto

La idea:Tener un juego de luces intermitentes y una luz de freno extra.¿Cómo?Cuando parpadea en la motocicleta, envía una señal para el arduino conectado, que a su vez envía la señal a la arduino en la mochila a través de los módulos Nrf24L01. Arduin
Instalar un cableado de abrepuertas de garaje para motos Hi-Beam

Instalar un cableado de abrepuertas de garaje para motos Hi-Beam

estaba cansado de tener que conseguir en y fuera de mi bicicleta para abrir y cerrar la puerta cada vez que salió.  Mientras que mi esposa y yo estábamos fuera de la ciudad encontramos un proyecto en un distribuidor que le ha permitido operar la puer
Crear una caja de filtro de aire para moto (Virago) de una fiambrera de aluminio barato

Crear una caja de filtro de aire para moto (Virago) de una fiambrera de aluminio barato

It´s una idea sobre cómo crear una caja de filtro de aire cilíndrico usando una papel de aluminio barato hecho caja de almuerzo. Bueno, la moto que usa es una Yamaha Virago 250, pero usando el mismo concepto (porque hay fiambrera de aluminio de varia
Cómo: Cambiar zapatas de freno de tambor para motos

Cómo: Cambiar zapatas de freno de tambor para motos

Es el sábado, no cualquier sábado, pero el sábado que van a andar los senderos en su bici de la suciedad. ¿Qué es ese ruido? ¿Un suave acariciando? Se mira fuera, NOOOOOOOOOOO, es lluvia que vertía fuera! Que todo día está arruinado, ya no puede ir a
Pop (soda) puede el ruido de la bici de la suciedad para motos

Pop (soda) puede el ruido de la bici de la suciedad para motos

has alguna vez has querido tu moto a sonar como una bici de la suciedad, sin tener que pasar por la molestia de grabar una tarjeta a tu marco de bicicleta (que por cierto es una idea se hinchan), pues ahora usted puede con un simple pop (soda) puede.